電磁閥動作壽命試驗系統設計

2013-05-01 徐承韜 沈陽化工大學

  針對某型號電磁閥可靠性及耐久性試驗的需要,研制實現了一套基于可編程控制器(PLC) 控制的電磁閥動作壽命試驗系統,文中對試驗系統結構、原理及軟硬件設計進行了詳細闡述。實踐結果表明,該系統能實現對試驗參數的快速精確控制,具有自動化程度高、可靠性好和操作方便的特點,為開發高性能的電磁閥提供了一個高效能的測試研究平臺。

1、引言

  隨著機電一體化的發展,工業生產過程的復雜性和自動化程度對設備性能的要求越來越高,電磁閥作為流體控制系統中最主要的元件之一,其動作時間、可靠性、壽命等指標對系統的工作性能及經濟性影響巨大,須通過試驗對電磁閥產品相關指標進行準確測定。電磁閥試驗是電磁閥產品開發及改進過程中用于檢驗產品性能和質量的有效手段,在各項試驗中需要根據試驗要求對試驗系統中各項參數進行實時、精確控制,真空技術網(http://www.hzwlsy.com/)認為如何對試驗系統中的各項被控參數進行自動化快速精確控制是成功開發電磁閥試驗系統的關鍵。

  在各項相關試驗中,電磁閥動作壽命試驗主要用于評估其工作可靠性及壽命,為進一步改進電磁閥設計、提高其性能提供依據,由于電磁閥動作壽命試驗周期長、強度高,其試驗系統須具有自動化程度高、可靠性好的特點。基于可編程控制器( PLC) 這一自動控制裝置,本設計實現了一套高效能的電磁閥動作壽命試驗系統,該系統能實現對電磁閥驅動電壓\ 電流信號占空比等被控參數的快速精確控制,具有自動化程度高、可靠性好和操作方便的特點。

2、試驗系統流路設計

  為進行電磁閥動作壽命試驗的研究,根據試驗用電磁閥的工作條件及測試要求,建立系統流體回路如圖1 所示( 測試流體為空氣,被測電磁閥數目定為5 個) 。

電磁閥動作壽命試驗系統設計-試驗系統流路

圖1 試驗系統流路

  試驗要求被測電磁閥入口氣壓可以在0 ~0.8MPa 內可調,為此采用空氣壓縮機配儲氣瓶方式為試驗系統供氣,空氣壓縮機將空氣壓縮到氣瓶中并維持氣瓶中壓力為1MPa,即,如氣瓶中壓力達到1MPa,壓縮機自動停止工作,反之,若氣瓶中壓力小于1MPa,則壓縮機自動投入工作。氣瓶出口端依次接有壓力表、過濾器、調壓閥( 自身帶壓力表) ,通過調節調壓閥調節氣瓶出口壓力,即保證被測電磁閥入口氣壓達到測試要求并一直保持,此后通過PLC 控制使被測閥在額定驅動電信號作用下逐一開關動作并連續循環,直至達到設定動作次數才停止動作( 隨后對被測電磁閥密閉性等工作性能進行檢測) ,實現動作壽命試驗。

  系統中選用高輸出壓力、高效率的且具有根據壓力變化自動停止或運行功能的靜音無油空氣壓縮機,以滿足試驗的壓力要求; 管路的連接,包括與被測閥的連接,均采用快換接頭與工程塑料軟管插接配合方式,不但耐壓性能滿足要求,且便于安裝和拆卸; 為保證流體的清潔度,不致對被測閥產生影響,管路入口端加裝精密空氣干燥凈化過濾器; 空氣壓縮機電機的起停控制及被測電磁閥的驅動控制由PLC 控制實現( 注: 當PLC 起動空氣壓縮機電機時,實質是使空氣壓縮機電機電路外部控制端接通,此后由空氣壓縮機內部裝置根據出口壓力情況決定電機是否工作; 當PLC 停止空氣壓縮機電機工作時,實質是使空氣壓縮機電機電路外部控制端斷開,使空氣壓縮機電機失去工作的可能) ,為方便監控操作,將PLC 與一計算機(PC) 連接形成上下位機控制方式。

3、PLC 硬件設計

3.1、PLC 選型

  PLC 的輸入信號包括空氣壓縮機電機起動停止控制信號、過載保護信號、被測電磁閥的起動停止控制信號等,考慮到可以通過編程實現單按鈕起停控制,及將相關保護信號串聯輸入,由此減少輸入點數提高經濟性,綜上可以判定PLC 開關量輸入點數不能少于3 個。試驗系統內需PLC 控制的對象有空氣壓縮機電機1 個、被測閥5 個,可確定PLC 開關量輸出點數不能少于6 個。

  因試驗中被測電磁閥須被長期連續驅動,故要求控制用PLC 輸出部件工作壽命要長,不適合采用壽命較短的繼電器輸出型,而晶體管輸出型可靠性高,反應速度快,不受動作次數的限制,故選擇晶體管輸出型[6]。根據以上系統要求,綜合性價比等因素考慮,最終選用歐姆龍PLC 產品ZEN 系列中的10C1DT -D -V2 ( CPU 單元) 及8E1DT( 擴展I /O 單元) ,該機型組合具有10 個開關量輸入端子、8 個開關量輸出端子( 均為晶體管輸出型) ,程序存儲器容量大小適合,完全滿足系統要求。

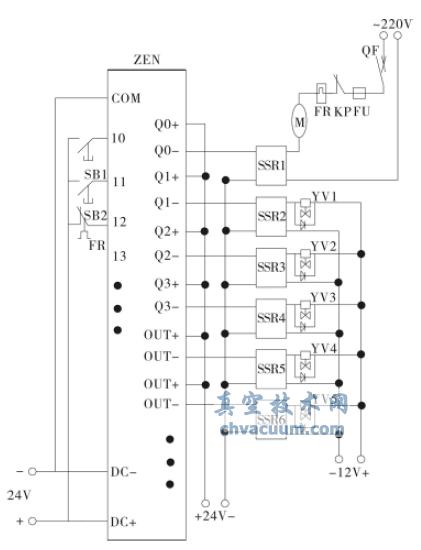
3.2、輸入輸出接線

  根據試驗系統要求,設計PLC 輸入及輸出驅動電路如圖2 所示。輸入包括空氣壓縮機電機起停控制按鈕SB1、被測電磁閥起停控制按鈕SB2 及一路保護信號輸入( 為空氣壓縮機電機熱繼電器的常閉觸點) ,輸出驅動了6 個固態繼電器( SSR) ,其中1 個SSR 控制空氣壓縮機電機,其他5 個SSR 控制被測電磁閥。通過SSR 間接控制負載,可以很好的保護PLC,提高試驗系統的可靠性。

電磁閥動作壽命試驗系統設計-PLC外部接線

圖2 PLC外部接線