直動式電磁閥的基本原理及結構特點

2020-04-25 真空技術網整理 閥門手冊

  直動式電磁閥是指電磁力直接作用于閥芯系統,電磁閥的動作功能完全依靠電磁力及復位彈簧,不受介質壓差等因素的影響,可靠性很高。

  由于要求較大的電磁力,限于經濟性的影響,這種結構的電磁閥國內過去大多為小口徑(≤DN10)的電磁閥,應用于壓力等級不高的管路系統中。20世紀90年代,鞍山電磁閥有限責任公司技術引進了世界上唯一的大口徑直動式電磁閥技術——德國HERION公司的直動式雙向電磁閥設計制造技術,通過消化吸收自主創新,如今這種直動式電磁閥已達DN300。

  這種電磁閥的特點:適應介質廣泛,在水、氣、油等流體工況條件下均可可靠工作。不大于DN50的電磁閥可以任意安裝使用,可以在無壓差(從0MPa開始工作)或真空(1.33×10-7MPa)狀態下進行可靠的開關動作,工作介質可以正反兩個方向流動,可實現雙通雙向截止。電磁閥動作可靠,結構簡單,使用及維修方便,深受用戶歡迎。

一、小口徑直動式電磁閥

  小口徑直動式電磁閥(圖1)的公稱尺寸不大于DN10,動鐵芯下部鑲嵌密封塞,動鐵芯的上下動作就可以實現電磁閥工作介質的通斷控制,所以稱為直動式電磁閥。

小口徑直動式電磁閥

圖1 小口徑直動式電磁閥

1—閥體;2—彈簧;3—閥蓋;4—動鐵芯; 5—線圈;6—靜鐵芯

  小口徑直動電磁閥線圈通電時,磁路產生電磁吸力,提起動鐵芯,克服了復位彈簧力開啟閥座,于是工作介質立即在管路中流通。當線圈斷電時,電磁力消失,動鐵芯因自重與彈簧力而下落,將閥座密封,切斷工作介質在管路中流通。

二、直動式雙向電磁閥

  鞍山電磁閥有限責任公司引進德國HERION公司技術的直動電磁閥為雙閥座雙方向的結構(圖2),該類電磁閥設計先進、性能可靠,工作壓力可以從0(無壓差)~4.0MPa,特別適用于小于或等于1.33×10-7MPa條件的真空系統中。該閥可實現正反兩個方向介質的流動(正反兩個方向密封),是目前世界上最先進的直動式電磁閥。

直動式雙向電磁閥

圖2 直動式雙向電磁閥

1—電磁頭;2—動鐵芯;3—閥桿組件; 4—閥座;5—閥體

  雙向電磁閥的電磁線圈通電時,產生電磁力,吸起動鐵芯克服彈簧力帶動閥桿組件向上運動開啟閥門。當電磁線圈斷電時,電磁力消失,動鐵芯在彈簧力及自重的作用下推動閥桿組件向下運動關閉閥門。

  斷電時關閉電磁閥為常閉式電磁閥,斷電時開啟的電磁閥為常開式電磁閥。

三、多通直動式電磁閥

  小通徑的直動三通電磁閥(圖3)在國內很普遍,一般為0~1.0MPa,電磁閥小于或等于DN3的直動式電磁閥在國內外應用很普遍,大部分作為多通氣動電磁閥的先導閥用。

直動三通式電磁閥

圖3 直動三通式電磁閥

  但較大通徑DN12~50的三通、四通(五通)電磁閥,國內過去一直空白。自國內引進德國HERI-ON公司制造技術后,通過消化吸收,已實現了國產化。不但作為執行器的多通電磁閥應用,而且在液動、氣動執行器中得到應用。

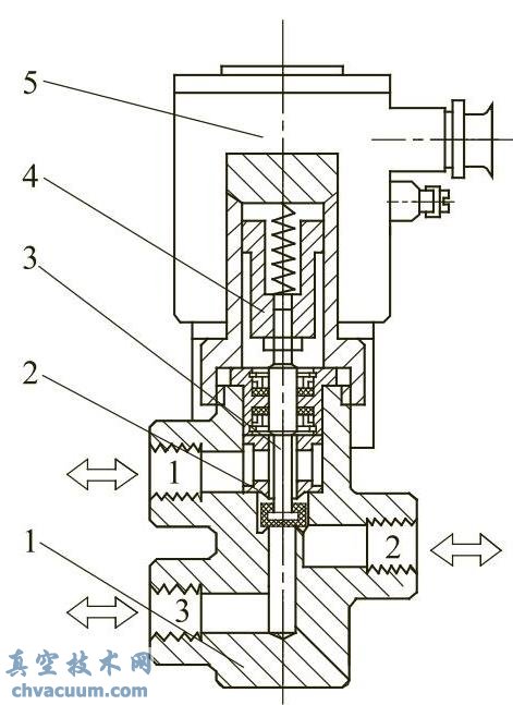
  1、二位三通直動式電磁閥結構及工作原理直動式二位三通電磁閥(圖4)根據其接管位置的不同,可實現常閉、常開、換向、合流4種功能。

直動式二位三通電磁閥

圖4 直動式二位三通電磁閥

1—閥體;2—閥座;3—閥桿組件; 4—動鐵芯;5—電磁頭

  常開功能:二位三通直動式電磁閥中“1”口為進口,“2”為工作口,“3”為排空口,在斷電狀態1口與2口是相通的,3口被截止。當電磁線圈通電后產生電磁力,密封閥盤關閉1口,2口與3口相通,此時三通電磁閥實現常開功能。

  常閉功能:二位三通直動式電磁閥中“3”口為進口,“2”為工作口,“1”為排空口,在斷電狀態1口與2口是相通,3口被截止。當電磁線圈通電后產生電磁力,密封閥盤關閉1口,3口與2口相通,此時三通電磁閥實現常閉功能。

  換向功能:二位三通直動式電磁閥中“2”口為進口,“1”和“3”為工作口,在斷電狀態2口與1

  口是相通,3口被截止。當電磁線圈通電后產生電磁力,密封閥盤關閉1口,2口與3口相通,此時三通電磁閥實現換向功能。

  合流功能:二位三通直動式電磁閥中“1”口和“3”口為進口,“2”為工作口,通過將兩個進口通入不同的介質,從2口端混合,此時三通電磁閥可實現合流(混合)功能。

  2、直動式二位四通(二位五通)電磁閥結構及工作原理直動二位四通電磁閥(圖5)及二位五通電磁閥的進口方向及工作口的方向(常開口及常閉口)是一定的。其中,直動二位四通電磁閥是將“A”和“B”工作口的排氣口合二為一,形成直動二位四通電磁閥。

直動式二位四通(二位五通)電磁閥

圖5 直動式二位四通(二位五通)電磁閥

1—閥體;2—閥座;3—閥桿組件;4—密封圈; 5—動鐵芯;6—復位彈簧;7—電磁頭

  圖5中“P”口為進口,“A”和“B”為工作口,“R”為排空口。電磁閥的線圈在斷電狀態下,P口與A口相通,B口與R口相通。當電磁線圈通電后產生電磁力吸起動鐵芯提起閥桿及閥盤,使電磁閥實現P口與B口相通,A口與R口相通的換向功能。