一種帶先導球閥的截止閥

2009-07-22 王建凱 浙江大學化工機械研究所

1、概述

  目前,國內的截止閥大多采用手輪或電動裝置驅動。采用手輪驅動截止閥開啟或關閉時,動作緩慢,勞動強度大,自動化程度低,不利于閥門的集成控制,且易造成由于誤操作引起的安全事故。采用普通電動裝置開啟和關閉截止閥時,機構龐大,能耗大,成本高,應用在輸油或化工易燃易爆流體的管路上時,不便維修且存在事故隱患。因此研制了新型帶先導球閥的截止閥。該閥能夠達到普通截止閥的基本功能,具有操作靈活省力、精度高、動作快、不銹蝕、安裝簡單、使用壽命長和維護方便等優點。

2、閥門結構

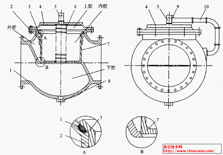
  帶先導球閥的截止閥有手動控制和電動控制兩種類型。手動帶先導球閥的截止閥(圖1)由閥體、閥瓣、閥蓋、導向套、密封圈、彈簧和導流管等零部件組成。閥瓣呈直圓筒形,閥瓣底部有底孔,閥體下部設有排污孔,該孔安裝有密封螺母。閥瓣底孔的孔徑小于導流管的內徑,閥瓣上部有壓環。

  帶先導球閥的截止閥無手輪、閥桿和內升降螺母,將導向塊與導向槽改為導向套,將盤形閥瓣改為類缽體形閥瓣,并在底部開閥瓣孔,將閥蓋原閥桿孔改為導流孔,因增加壓環、密封圈和將閥瓣改為類缽體,使上通流腔分隔為上腔、外腔、內腔,在上腔與外腔的外部加設有導流管與不銹鋼手動球閥,在蓋板與閥瓣底的中心部加設彈簧,閥瓣上部加設壓緊密封圈的壓環,在外腔的壁上開有放水孔。對于電動控制的截止閥,只需將先導控制的手動球閥用3~5V直流電機驅動即可。

帶先導球閥的截止閥 

1.閥體 2.導向套 3.密封圈 4.閥蓋 5.手動球閥 6.彈簧 7.閥瓣 8.排污閥 9.球閥手柄 10.導流管

圖1 帶先導球閥的截止閥

3、工作原理

  由伯努利方程可知,當流體流動斷面發生變化時,包括斷面收縮和擴張等,流體會產生流動阻力,相應的流體壓力會下降。帶先導球閥的截止閥即為一種壓差閥門,利用介質自身的壓力為動力、利用壓差推動閥瓣完成閥瓣的啟閉,使得采用較小的啟閉閥完成相對大閥門的啟閉。

  假定先導閥門的初始狀態為關閉,導流管不通。由于閥瓣底部與進口相通,此時進口壓力和閥瓣內壓力一致,則閥瓣在自重以及彈簧力的作用下下落與閥座閉合,截止閥處在關閉狀態。

  當打開先導閥門,閥瓣與出口相通,水外流,此時上部水壓下降(兩者壓力相等,均為P2 ) ,由于進口壓力P1 與出口壓力P2 存在壓力差, 則進口壓力P1 將閥瓣頂起,打開閥門。由于導流管直徑大于底孔的孔徑,因此,即使有閥瓣底孔的存在, 進口管的壓力P1 始終大于閥瓣內的壓力(抵消閥瓣自重和彈簧力的作用) ,因而閥瓣不會下落,而保持全通開啟,從而保證最大通量的流體通過。

  當關閉先導閥門,閥瓣與出口斷開。經過一定時間后,流入進口的水經閥瓣底孔注入閥瓣的內腔,至兩者壓力平衡時,在閥瓣重力及彈簧力作用下,閥瓣再次與閥座閉合,閥門關閉。需要放水時,可以通過閥體上的放水孔將水排放干凈,從而保證水不結冰,閥門不生銹。如此循環往復,即可實現閥門的關閉和開啟。

4、性能測試

  通過試驗測試,帶先導球閥的截止閥開啟時間10~15 s,關閉時間10~20 s,開啟壓力0.01MPa,對于電動控制閥門,利用先導技術,以3~5V 直流電機可以實現閥門的開啟和關閉,其電耗約為普通電控閥門的2%。該閥具有結構緊湊,密封性能好,操作省力,維護方便的特點。

5、結語

  帶先導球閥的截止閥是一種新型的截止閥。其核心技術是合理確定其導流管直徑與閥瓣底孔孔徑的比值,該比值決定了閥瓣的動作性能和動作能耗。若比值遠大于1,則配置的先導球閥規格就大,驅動能耗就會上升。若比值等于或小于1,則閥門不能維持開啟狀態。同時,可以利用調整閥瓣的自重、彈簧的彈力以及閥瓣的底孔大小來確定閥門的開啟壓力和啟閉時間。

參考文獻:

〔1〕 陸培文. 實用閥門設計手冊〔M〕. 北京: 機械工業出版社,2002.

〔2〕 王秀蘭,關正亞. 截止閥傳動裝置與結構改進〔J〕. 輕工機械,1996 (3) : 69 - 70.

〔3〕 楊源泉. 閥門設計手冊〔M〕. 北京:機械工業出版社, 1992.

〔4〕 武萬才. 介質開動的新型截止閥〔J〕. 發電設備, 1998 (1) .

〔5〕 王德洪. 帶先導電控球閥的截止閥〔P 〕. 中國專利:200710004645. 2, 2007 - 01 - 13.

〔6〕 蔡仁良,顧伯勤,宋鵬云. 過程裝備密封技術〔M〕. 北京:化學工業出版社, 2006. 135 - 147.

〔7〕 黃衛星,陳文梅. 工程流體力學〔M〕. 北京:化學工業出版社,2001. 60 - 65.

〔8〕 陳潤泰,許琨. 檢測技術與智能儀表〔M〕. 長沙:中南工業大學出版社, 2005.