重錘式蝶閥的工作原理和技術特點及主要技術參數

2008-10-06 鬼馬 真空技術網整理

1、重錘式蝶閥的技術原理

    重錘式蝶閥由蝶閥本體、液壓聯動旁通閥、重錘、釋放裝置、手動油泵(或電動油泵)、齒條傳動油缸及電子控制等部分組成(見圖1)。由油泵的壓力油輸入齒條傳動油缸,經活塞上齒條推動蝶板主軸上的齒輪旋轉來開啟蝶板,并將同軸上的重錘舉至高點。重錘上的棘爪通過釋放裝置上的鎖錠軸鎖錠;鎖錠軸的固定,由電磁鐵和支托裝置來控制。當事故發生時,由于電子控制部分的動作,電磁鐵斷電,鎖錠軸失去控制,在重錘的自重作用下脫扣繞軸旋轉,使蝶閥自動關閉。

重錘式蝶閥動作原理示意

圖1 重錘式蝶閥動作原理示意

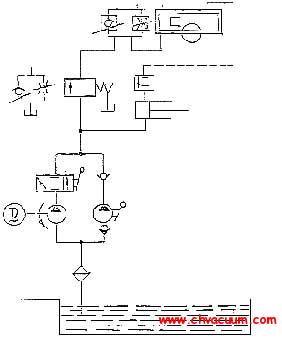
    該蝶閥的油壓系統,利用二段節流來控制蝶閥的關閉速度,開始時關閉速度較快,以減少飛車時間的持續和速率上升;后階段關閉緩慢以控制水壓上升率。液控原理如圖2所示。

D741X-10重錘式蝶閥液控原理示意

圖2 D741X-10重錘式蝶閥液控原理示意

2、重錘式蝶閥的技術特點及主要技術參數

2.1、技術特點

    具有整機裝配的手電兩用油壓系統,使整機結構緊湊,操作方便。

    在沒有外來電源的情況下,能利用重力蓄能自行關機。當機組過速、軸承過熱及發電機失磁時均能自動關閉,從而對機組進行了自動保護。

    具有快慢兩段關閉特性。

    采用電磁鐵控制的鎖錠機構,既安全可靠、操作力又小。

2.2、主要技術參數、指標

    以D741-10型重錘式蝶閥為例,主要技術數據有:壓力,1MPa;直徑,φ400、φ500、φ600、φ800、φ1000、φ1200;最高使用水頭,100m;最高升壓水頭,145m;開啟時間,手動5min左右、電動1min左右;關閉時間,快關段5~10s;慢關段10~50s;過速保護范圍,1.8倍額定轉速(可調)。

3、重錘式蝶閥的具體應用地點及效果

    浙江省臨海市柴坦水電站采用浙江平陽縣水電自動設備廠生產的兩臺D741X-10重錘式蝶閥。電站型式為混合式,有壓隧洞1100m,洞徑2.6m,壓力管長50m,管徑1.2m,設計水頭45.5m,最高水頭47m,設計流量1.8m3/s,水輪機HL220-WJ-50A,發電機SFW-630-6/990(電抗分流勵磁),額定電壓400V,額定容量630kW,額定轉速1000r/min。1991年1月2日并入大電網發電至1993年3月,兩臺機合計運行7780h。重錘閥運行情況良好,評價如下:(1)設備動作正確,實現了安全生產,兩臺蝶閥開啟203次、關閉203次,動作正確率100%;(2)電動開啟平均時間為55s,甩負荷時快關時間設定為5s,先快利于減少轉速上升率,上升率控制在40%之內,慢關時間設定為20s,后慢在于減少水壓上升率,上升率控制在21%之內;(3)在事故停機過程中機組過速,當超過1.4倍額定轉速時,由測速裝置發令,重錘自動脫扣關閉進水閥,避免事故擴大,增加了運行安全感。

4、結 語

    首先,提高了設備運行的可靠性,保證了安全停機。其次,減輕了運行工人的勞動強度,減少了維護工作量。兩臺機組減少值班人員4名,每年約節支8萬元。

    另外,該閥在無人(少人)值班并網電站或孤立電站中當失去廠用電時能自動脫扣重錘關閉,而無需備用直流操作電源。

    在一些電站設計中,若在已定的機組GD2和水工建筑物布置的條件下,無法找到合適的導葉關閉時間以保證機組速率上升值和水壓力上升值均不超過標準規定的允許值,此時可采取重錘式蝶閥快慢二段關閉,先快以利減少轉速升高,后慢又能減少水壓力升高。此法比設置人工電阻可靠,比設置調壓井經濟。