超( 超) 臨界火電機組高排逆止閥的設計

2015-03-28 陳力 大連大高閥門股份有限公司

  論述了火電廠高排逆止閥的工作原理和結構特點,介紹了閥門材料選擇、設計計算及型式試驗等參照的標準,分析了閥門的性能。

1、概述

  超( 超) 臨界火電機組建設是國家火電發展的方向。高排逆止閥是機組安全和經濟運行的重要設備之一。高排逆止閥安裝在高壓缸與再熱器之間排汽管道上,真空技術網(http://www.hzwlsy.com/)認為這樣可以防止氣流不穩定而引起再熱器介質倒流進高壓缸,起到保護關鍵設備的作用。

2、主要技術參數

  公稱通徑:40in. ( DN1 000)

  設計壓力:5.81MPa

  設計溫度:375℃

  主體材料:WCC

  關閉時間:< 0. 5s

  配管尺寸:1 016mm × 35mm

  介質類型:蒸汽

  驅動形式:氣動

  安裝位置:高壓缸排汽管道

  使用壽命:30a

3、結構特點

  高排逆止閥主要由閥體、閥蓋、搖臂、閥瓣、強開(關) 軸、強開( 關) 氣缸等組成(圖1) 。閥體、閥座、閥瓣采用旋啟式止回閥結構,閥座密封面原來與垂直面傾斜5°,現在改變與垂直面傾斜18°,這樣更有利于密封,且閥瓣開啟關閉角度小,利于閥門快速關閉。閥門設計成隨動關閉和強制關閉兩套獨立的保護機構。

超( 超) 臨界火電機組高排逆止閥的設計

圖1 高排逆止閥

  閥門主體部分為旋啟式止回閥,但是增加的強開和強關兩只氣缸,使閥門具有強制開啟和強制關閉的功能。當強關氣缸活塞桿提起時,此閥相當于止回閥,閥瓣隨介質順流開啟,逆流關閉。當系統流量小于等于105kg /s 時,壓縮空氣進入強開氣缸推動活塞上行,閥門閥瓣強行打開。當接到緊急關閉信號時,強關氣缸活塞下腔迅速排氣,彈簧力瞬間釋放,帶動活塞桿下行,用傳動柄的扭矩力使強關軸旋轉,通過離合連接結構強制強開軸旋轉,閥瓣關閉時間小于0.5s。

  氣動系統由強開或強關氣缸、手動試驗閥、快速排氣閥、電磁閥、減壓過濾器三元件等組成,雙氣缸中內置壓縮彈簧。氣缸設有手動試驗閥,可以在閥門運行狀態下,定期做活塞運動試驗,防止活塞因長期不動作造成卡澀。氣缸活塞下部設有緩沖螺母,當閥瓣落下與閥座閉合時,緩沖螺母進入氣缸后蓋氣室壓縮氣體,使活塞運動速度減慢,避免閥瓣對閥座密封面的沖擊(圖2) 。

超( 超) 臨界火電機組高排逆止閥的設計

圖2 氣動原理

4、設計

  閥門零件材料按ASME /ASTM /ANSI 技術規范及國家相關標準選擇( 表1) 。

表1 主要零件材料

超( 超) 臨界火電機組高排逆止閥的設計

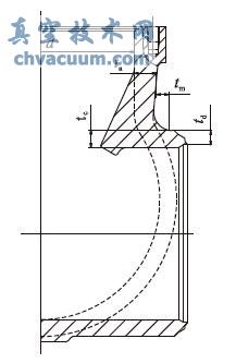
  閥門的設計、制造、檢驗及試驗執行ASMEB16.34 及JB/T 3595 標準,以滿足介質壓力、溫度、流量、流向及密封性要求。氣動閥動作靈活,無卡澀,密封可靠。閥座和閥瓣均堆焊硬質合金(Stellite),堆焊層厚度不小于3mm,密封面均有較高的硬度,使其耐磨損,耐沖刷,耐腐蝕。兩密封面間存在50HB 的硬度差。閥瓣處于任何工作位置( 角度)時,都能安全穩定的工作,不會引起振動和產生噪聲。閥門配置的強開和強關氣缸,在小流量時具有強制開啟功能。由于閥門口徑較大,內徑d =920mm,為保證其剛性要求,經分析計算,閥體最小壁厚tm = 64.9mm,取閥體實際壁厚t = 90mm,閥頸處最小壁厚ta = 128. 8mm,閥體端部最小壁厚tc =91mm( 圖3) 。

超( 超) 臨界火電機組高排逆止閥的設計

圖3 閥體頸部最小壁厚

5、型式試驗

  閥門裝配后進行殼體強度試驗、閥座密封試驗及動作性能試驗(表2) 。試驗漏率滿足MSS SP -61 的要求。在動作性能試驗時,為驗證閥門強制關閉時間,在兩個行程開關之間安裝數字計時器,記錄了閥瓣從最大開啟位置到關閉位置所用時間為0.26s,滿足技術要求。

表2 性能試驗要求及結果

超( 超) 臨界火電機組高排逆止閥的設計

6、結語

  高排逆止閥按ASME B16.34 及JB/T3595 標準制造與檢驗,閥門動作靈活,關閉迅速,密封可靠,性能穩定,滿足了工況要求,已廣泛使用在超( 超) 臨界大型火電機組管道上。