基于CC430的真空開關真空度監測系統設計

2013-10-06 吳志超 中國礦業大學信息與信電學院

  真空開關真空度在發生變化時會引起屏蔽罩發生一系列變化,利用傳感器檢測屏蔽罩的電信號,再經過濾波、放大后送往CC430 進行處理、分析和比較來確定滅弧室真空度的值,最終得出屏蔽罩電位與真空度之間的關系曲線。通過這種曲線關系可以在不關斷真空開關的狀態下判斷其真空度的大小,進而實現真空開關真空度的實時在線監測。CC430 通過自身集成的無線射頻模塊將數據信息發送給遠程用戶,實現信息的遠程監測。

  隨著我國電力系統、無油化改造以及電力設備制造技術的發展,真空開關的使用也就更加普及和推廣。真空開關以其體積小、環境污染小、滅弧性能好、運行維護簡便、可靠性高、機械和電壽命長等優點在國內礦山、大中型水電站、變電所等供電系統中得到廣泛的應用。真空開關是以真空作為絕緣和滅弧手段的斷路器,真空度直接影響真空開關的性能, 如果不能及時掌控真空開關的真空度,可能帶來不可想象的后果。資料顯示由沒有及時掌控真空開關的真空度而引起的事故已經造成了很大的損失。國內統計資料表明,真空開關事故絕大多數因真空泄漏引起。所以,運用科學的手段對真空開關進行定期或不定期真空度監測,及時發現故障先兆對真空開關乃至整個電力系統的安全和可靠運行都有十分重要的意義。

  本文研究的內容涉及到對真空開關真空度進行在線監測和無線發送,在不關斷電源的情況下,對真空開關滅弧室內的真空度進行監測。運行中的真空開關滅弧室內的真空度在發生變化時,動靜觸頭之間會產生放電現象,放電會發射出電磁波脈沖,導致屏蔽罩電位發生變化,它與滅弧室的真空度之間存在一定的關系,通過這種關系就可以判斷真空度的大小。在此原理上,本文利用傳感器來檢測屏蔽罩電位信號,經過濾波、放大器后,然后由CC430 對數據進行采集、處理、分析和比較來確定滅弧室內真空度的值,并通過其自帶的射頻模塊將信息通過無線發送到PC 或遠程用戶,實現真空度的實時監測。

1、真空開關和CC430 簡介

  1.1、真空開關

  真空開關由真空滅弧室、電磁或彈簧操動機構、支架及其他部件構成,是控制管路或某封閉空間的真空度的開關,為純機械形變導致微動開關動作。真空開關是框架式斷路器的通俗稱呼,實際上就是斷路器,主要作用是切斷大電流的電器元件。真空開關是以真空作為絕緣和滅弧手段的斷路器,因此,真空度直接影響真空開關的性能。現對真空開關真空度的測試方法有離線監測和在線監測。在線監測的方法主要有電光變換法、耦合電容法、磁控線圈法等。在不同的使用場合,真空滅弧室有種形式,總體來說,真空滅弧室的基本結構如圖1所示。

真空滅弧室的基本結構

圖1 真空滅弧室的基本結構

  真空開關采用真空阻止電弧重燃的方法實現熄滅電弧。真空滅弧室是用密封在真空中的一對動、靜觸頭來實現電力電路的接通與分斷功能的一種電真空器件,獨特之處是利用高真空做絕緣介質。真空滅弧室的真空度應在1.33×10-5 Pa ~ 1.33×10-2 Pa 范圍內,在這樣高真空度狀態下,氣體的密度很低,氣體分子的自由行程很大,不易產生碰撞游離,因此,觸頭間具有很高的絕緣強度和很強的開斷能力。國標(GB)中規定,真空滅弧室內的真空度臨界值為6.6×10-2Pa。表1 就說明了真空度在不同范圍時的真空滅弧室運行情況。

表1 真空度在不同范圍時的真空滅弧室運行情況

  1.2、CC430 簡介

  CC430 是TI 在2008 年末發布的MSP430 家族的一個新的RF Soc 系列,CC430 集成了MSP430 當時最新5 系列的核以及低功耗無線收發器CC1101 的核,并且集成了5 系列豐富的外設等。CC430 不但延續了其前輩超低功耗、高性能的傳統,而且集成了業界領先的1GHz 以下頻段的CC1101RF 收發器,是真正的業界最低功耗的單芯片射頻(RF) 解決方案。使用CC430 平臺既可降低系統復雜性、將封裝與印刷電路板尺寸縮小50%,又可簡化RF 設計,從而將包括RF 網絡、能量采集、工業監控與篡改檢測、個人無線網絡以及自動抄表基礎設施等在內的應用推向前所未有的水平。本文中選用的是

  CC430F5137, 具有以下特點:

  1)工作電壓低:2.0 ~ 3.6V;

  2)I/O 口電平:0 ~ VCC;

  3)工作頻段:433 ± 10MHz;

  4)發射功率:-30dBm ~ 10 ± 1dBm;

  5)高接收靈敏度:-106 ± 1dBm(@433MHz,2400bps);

  6)2-FSK、GFSK、ASK/OOK 調制方式,提高數據抗突發干擾和隨機干擾能力;

  7)低功耗:發射電流≤ 40mA,接收電流≤ 25mA,睡眠電流≤ 2μA;

  8)自帶多通道12 位AD 轉換

  9)集成無線射頻模塊

2、真空開關真空度在線監測系統設計

  2.1、真空度在線監測系統結構框圖

  本文系統主要是通過監測屏蔽罩的直流電位信號來分析其與真空度的關系來判斷滅弧室內真空度的變化情況,設計結構如圖2 所示。傳感器探頭分別接在真空開關A、B、C 三相的三個真空滅弧室內,其對真空滅弧室的屏蔽罩電信號進行采集并輸出,信號經AD 轉換處理后進行濾波、放大預處理,CC430 對預處理后的數據進行采集、分析以及比較,來評估滅弧室內的真空狀況并顯示。當真空度低于標準真空度值時發出報警,并通過無線將報警信息發送給遠程的工作人員以提醒。CC430 的最小系統如圖3 所示。

系統總體框圖

圖2 系統總體框圖

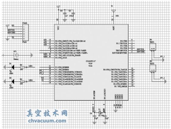
CC430 最小系統

圖3 CC430 最小系統

  2.2、真空度在線監測系統的監測原理

  在真空開關工作時,真空滅弧室屏蔽罩上的電位是由高壓部分—屏蔽罩、屏蔽罩—接地電極之間分別所具有的靜電電容的分壓決定。真空滅弧室只有在正常的工作電壓和標準的真空狀態下正常運行時,滅弧室屏蔽罩上才不會帶有靜電荷;然而當真空滅弧室真空度降低到臨界壓強(10-2Pa 左右) 時, 不僅電氣參量有變化, 而且非電氣參量也有一定變化。在電氣參量的變化中,會導致真空滅弧室觸頭與屏蔽罩之間產生電流信號,滅弧室的屏蔽罩上也會因此產生一定的靜電荷,從而形成直流電位。屏蔽罩的直流電位會隨著真空度的降低而發生相應地變化。本系統是通過檢測屏蔽罩的直流電位來監測滅弧室內真空度。

真空度與屏蔽罩電位關系

圖4 真空度與屏蔽罩電位關系

  圖4 表示的是真空滅弧室內真空度與屏蔽罩上直流電位的關系曲線。從圖中可以看出,當真空滅弧室內的真空度在臨界真空度以上時,真空滅弧室屏蔽罩的電位幾乎沒有多大的變化。隨著真空度的惡化,屏蔽罩上的電位會相應地下降。因此,由他們之間的關系曲線可知,只要測量出屏蔽罩的直流電位,就可以得出此時相應的真空度。因此,通過檢測屏蔽罩上的電信號即可在線監測真空滅弧室內的真空度狀況。

  2.3、監測系統中數據的采集處理

  由于真空開關處于的環境是在高壓狀態下,傳感器探頭監測到屏蔽罩的電位信號,并經過一系列的信號處理和A/D 轉換,使之轉換成為數字信號。在高壓的環境下,為了采集到幾乎不失真的電信號,要求設計的采集系統也具有非常強的抗干擾能力。所以我們在對輸入的模擬信號進入A/D 轉換以后采用隔離放大器,實現輸入/ 輸出的信號隔離和增益控制信號的隔離,增強其抗干擾能力。圖5 為數據采集系統框圖。

數據采集系統框圖

圖5 數據采集系統框圖

  隔離放大器具備兩大功能,即前置功能和放大功能。其對采集到的電信號進行處理并將輸出信號調整至A/D 能夠采樣的范圍內以及將輸入級與后級完全隔離,因此,提高了數據采集系統的抗干擾能力。

3、系統軟件設計

  該系統通過對屏蔽罩的直流電信號進行信號的放大、濾波、采集、數據處理等環節來判斷真空滅弧室內真空度的狀況。本文采用Matlab7.0 軟件和C 語言來實現軟件的設計。利用C 語言執行速度快的特點開發軟件程序,可保證系統快速、準確地進行數據采集。Matlab7.0 的人機互動式畫面和可視化功能,使數據處理更加簡單。圖6 為CC430 的軟件工作流程。

CC430 的工作流程

圖6 CC430 的工作流程

4、結 論

  真空開關作為我國電力行業日趨普及的高壓電器, 真空度的在線監測對于真空開關的安全運行有著極其重要的意義。本文設計的系統采用CC430 來對采集到的數據進行處理、分析和比較來得出其中的關系曲線,并將報警信息發送給遠程用戶,達到在線監測的目的。使用CC430,不僅實現數據的處理、分析、比較和顯示等處理,還可實現數據的無線傳輸。本文系統不僅方法簡單而且系統更具有實用性。