四極質譜計檢漏應用實例分析

2009-04-08 溫永剛 真空低溫技術與物理國家級重點實驗室

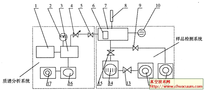
1、 四極質譜計檢漏系統原理圖

        利用四極質譜計搭建的Ni-H2 蓄電池氫檢測系統原理圖如圖1 所示。該系統主要由質譜分析系統和樣品檢測系統組成,二者之間由高真空閥連接。質譜分析系統包括:四極質譜計、質譜室、冷規、渦輪分子泵機械泵;樣品檢測系統包括:被檢件、檢測室、標準漏孔、電離規、旁通閥、預抽泵、插板閥、隔斷閥、渦輪分子泵和前級泵。

四極質譜計檢漏系統圖

1. 四極質譜計;2. IRK251 冷規;3. 質譜室;4. 微調閥;5. 高真空閥;6. 被檢件;7. 檢測室;8. 標準漏孔;9. 旁抽閥;10. 電離規;11. 預抽泵;12. 前級泵1;13. 電磁閥;14. 渦輪分子泵1;15. 插板閥;16. 渦輪分子泵2;17. 前級泵。

圖1 檢測系統原理圖

2、四極質譜計檢漏過程及步驟

        利用質譜檢測系統對產品進行氫工質檢漏,檢測步驟如下:

       (1)將材料、體積和產品相同的等效電池裝入檢測室,在相同檢測條件下,利用質譜計分別測量標準漏孔施氫前的本底氫離子流強度和施氫后的氫信號離子流強度,計算氫信號增量ΔIsp=Isp-I0,用式(3)計算系統的有效最小可檢漏率Qmin

        式中Qmin 為系統的有效最小可檢漏率,Pa·m3/s;ΔI0 為輸出指示本底噪聲值,A;Isp 為標準漏孔施氫后輸出指示值,A;I0 為標準漏孔未施氫時輸出指示的本底值,A;Qsp 為標準漏孔標稱值,本例中對氫的標稱漏率值為9.42×10-7 Pa·m3/s。測得的有效最小可檢漏率Qmin 必須滿足檢測要求。

       (2)取出等效電池,將被測電池裝入檢測室,在和(1)步驟相同條件下測量電池漏氫信號IV。當IV > I0 時,被測電池漏率Q 用式(4)計算,當IV ≤ I0 時,漏率Q=Qmin

       式中Q 為被測電池漏率,Pa·m3/s;IV 為被測電池漏氫產生的輸出指示值,A;γ 為被檢電池內的氫氣濃度值,%。

       (3)電池檢測完成后,重新將等效電池放入檢測室,按照(1)步驟對系統有效可檢漏率進行復驗,所得數據按式(3)進行計算,結果應滿足被測產品測試要求,否則需要重新對其進行檢測。

3、 四極質譜計檢漏數據及結果

      以某次Ni-H2 電池漏率檢測實測數據為例,對電池漏率進行測量和計算,參見表1。

表1 鎳-氫電池漏率檢測數據

 

4、檢測結果討論

        利用搭建的四極質譜計檢漏系統對Ni-H2 電池產品進行了檢測,有效最小可檢漏率為1.7×10-8 Pa·m3/s,可以滿足產品檢測要求。國外的檢測水平目前已達到1×10-9 Pa·m3/s,故而應在現有條件的基礎上進一步設法提高系統的有效最小可檢漏率,力爭達到國外水平。

        利用四極質譜計可以滿足航天檢漏技術和無損檢測需求,并取得了良好的效果。在實際工作中,作者還利用四極質譜計對材料出氣成分進行了測試,對玻璃系統和真空環模設備等大型真空系統進行了檢漏,也取得了令人滿意的效果。當然,四極質譜計也存在一些缺點,和以磁偏轉原理制成的氦質譜檢漏儀相比,主要是難以定量,需要加入校準系統,增加了系統復雜性。同時影響四極質譜計性能穩定性的參數過多,精度較差。但是該儀器的突出優點是可以實現實時在線檢漏,快速方便,同時具備其他功能如殘余氣體成分分析,因而在航天泄漏檢測和其他無損檢測中值得大力推廣和應用。

其他相關文章:

  1. 四極質譜計檢漏原理及方法與過程
  2. 四極質譜計泄漏檢測具體應用
  3. 四極質譜計檢漏應用實例分析