直徑1.6m球形閥的結構設計
介紹了小天都水電站使用的1.6m球閥的性能、結構及設計特點。在設計中采用了一些新結構,使球形閥布局更合理,性能更先進,提高了它的技術經濟指標。該閥門運行情況良好。
小天都水電站位于四川省,是低閘高水頭引水式電站。GE公司提供2臺水輪發電機組,包括2臺直徑1.5m球形閥;東方電機有限公司提供1臺水輪發電機組及1臺直徑1.6m球形閥。球形閥是水輪機組的事故保護和檢修隔離閥門。
1、球形閥的工作原理和性能參數
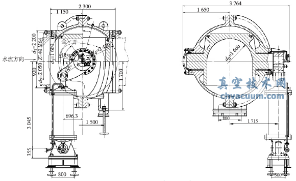
球形閥是水輪機進水閥,安裝在引水管下游端的電站廠房內。該電站球形閥水平中心線高程為1756.5m,球形閥垂直中心線位于機組中心線的上游側7.4m,見圖1。

圖1 球形閥布置圖(單位:mm)
1.1、性能參數
球形閥型號為QF400.9-WY-160,其性能參數見表1。
表1 球形閥性能參數

1.2、工作原理
當球形閥要開啟時,首先解除檢修密封處的3套周圈均布的沿水流方向的鎖定裝置,然后在檢修密封的開啟腔通入壓力油,使檢修密封處于開啟狀態,上游檢修密封的行程開關信號顯示開啟。在此狀況下,在下游工作密封的開啟腔通入壓力油,使工作密封處于開啟狀態,且下游工作密封的行程開關信號也顯示開啟,這樣水流就通過上游檢修密封處的周圈間隙與下游工作密封的周圈間隙向蝸殼內充水。當活門前后水壓趨于平衡(前后壓差≤30%),控制球形閥的壓力傳感器和壓力開關顯示達到設定值時,接力器轉動活門由全關旋轉到全開,球形閥開啟過程結束。
當球形閥要關閉時,首先由接力器將活門由全開旋轉到全關,然后向下游工作密封的關閉腔通入壓力油,使工作密封處于關閉狀態,且下游工作密封的行程開關信號顯示關閉,水流被全部截斷,球形閥關閉過程結束。一般情況下,上游檢修密封始終處于開啟位置,只有當機組檢修或球形閥更換工作密封時才關閉球形閥檢修密封,并投入檢修密封的機械鎖定。長時間停機或機組發生事故而導水機構不能關閉時,應關閉球形閥工作密封。球形閥工作密封是要經常操作、動作的,而檢修密封是很少動作的。另外,在引水鋼管充滿水的情況下,球形閥活門只能處于全關或全開位置,不允許停留在其他中間位置調節流量。
球形閥能在閥室或中控室以一個電脈沖按規定程序自動地操作,也可以手動操作,或通過開、停機繼電器進行操作。
球形閥的開啟、關閉一般是通過油壓操作接力器來實現的,但在失去廠用電源、油壓設備的主(備)油泵都不能供油的情況下,仍能安全地依靠動水關閉球形閥。
2、球形閥結構和改進
球形閥本體由半分的前閥體、后閥體、閥瓣、自潤滑軸承及檢修密封、工作密封、直徑650mm搖擺式接力器等零、部件組成。附屬設備有上游連接管、下游伸縮節、作排氣和補氣用的直徑100mm空氣閥以及用于球形閥控制的水系統、油系統及自動化元件以及球形閥的油壓控制設備系統等,見圖2。

圖2 球形閥結構(單位:mm)
2.1、球形閥主密封
球形閥的檢修密封及工作密封采用相同的不銹鋼活塞式密封環,使其閥體的進口、出口加工尺寸完全相同,為制造加工帶來了極大的方便。閥體采用偏離軸孔斜半分整鑄結構,使閥體半分面周圈密封加工方便,密封效果好,閥體半分面螺栓分布均勻,受力均勻,避免了沿閥體軸孔中心線垂直半分所造成的軸孔兩側螺栓跨距大,貼合力不足,合縫面錯牙漏水現象。閥體偏離軸孔斜半分結構是球形閥新結構。上、下密封環采用改進后的國內較先進的密封環結構,消除了原來的止漏環受力不好而產生歪斜卡住的現象。前、后閥體密封環滑動處均堆焊有不銹鋼層,以防止運轉中產生銹蝕發卡和磨損橡膠密封圈。閥體的二軸孔是通過軸瓦承受旋轉部分重力以及作用在閥瓣上的水壓力。
2.2、球形閥結構
GE公司生產的直徑1.5m球形閥上設置了旁通閥,多了1套系統,對球形閥運行有一定影響。由于球形閥上、下游密封均采用密封環結構,因此,取消旁通閥后原來球形閥采用密封蓋所用的向球形閥軸心充水和排水液壓閥及為檢修液壓閥而設置的閘閥和管路自然取消。同時,利用球形閥下游密封環開啟間隙向蝸殼充水的流量,超過直徑150mm液壓閥充水的流量,所以向蝸殼充水的液壓閥及為檢修液壓閥而設置的閘閥和管路也同時取消,這樣,使球形閥的結構及操作系統簡化。
2.3、閥瓣及封水環
閥瓣采用閥軸與整鑄閥瓣焊接為一體的結構,這也是一種新結構,曾在漁子溪水電站1.6m球形閥和華光潭水電站1.75m球形閥上使用過。閥瓣上、下游處加工有貼合封水環的螺孔和止口,以便于封水環套上后固緊、定位,更換封水環也不用拆卸球形閥閥體封水環緊密接觸,達到止漏目的。封水環損壞后,在不解體球形閥的情況下更換封水環。同時在制造中,封水環、密封環可單獨加工,為加工帶來方便。閥瓣兩軸頸與軸瓦及密封接觸面為加熱后套接并焊固的不銹鋼套,以防閥瓣軸銹蝕,磨損軸瓦。
2.4、密封環位置顯示裝置
密封環為鑄造不銹鋼,在球形閥上、下游導環與閥體之間往復滑動,且帶有專業密封件廠家制造的組合密封圈。這種組合密封圈密封性能好,使用壽命長。密封環行程為8mm。在球形閥上、下游密封環上分別設置了位置行程開關,其信號接至中控室,以顯示密封環處在全關或全開位置,便于準確地操作接力器開、關球形閥活門。
2.5、密封部件
球形閥的密封環上的封油、封水密封圈及軸端封水密封圈采用進口專業密封件廠家的產品,以保證密封的可靠性。
由于采用密封環代替止漏蓋,密封環比止漏蓋輕得多,大大節約了原材料及碟簧等零件。
2.6、接力器
接力器直徑為650mm,行程為1190mm。接力器的活塞桿通過臂柄與閥瓣軸相連接。接力器的下端蓋與支座之間用銷軸鉸鏈連接,能自由擺動。油壓設備的額定油壓為3.6~4MPa。
球形閥采用油壓操作接力器開啟、關閉。上游檢修密封的圓周上設有三個手動機械鎖定裝置,在檢修機組時,除關閉球形閥檢修密封外,用手動機械鎖定裝置鎖住,并需關閉操作接力器開啟腔管路上的截止閥,以保證機組在檢修時的絕對安全。
接力器簡化措施有:
(1)取消金屬鉸鏈配油結構,采用金屬軟管結構,使接力器結構大為簡化、可靠,并使加工工作量大為減少。
(2)接力器活塞桿密封采用專業密封件廠生產的密封件,代替多層V型橡膠密封或石棉盤根密封,使密封性能提高。
(3)接力器活塞桿桿體部分鍍硬鉻,使活塞桿不至于生銹磨壞密封圈。
(4)接力器活塞密封采用2道孔用方形圈密封,替代原來的活塞環密封,這種組合密封的密封壓力高,密封壓力為0~40MPa,經久耐用。
2.7、軸承及其密封裝置
軸承及其密封裝置由燒結自潤滑瓦、鋼套、軸用回轉方形密封圈、壓墊蓋等零部件組成。兩端軸之間用回轉方形密封圈,用以密封通過軸瓦而來的壓力水。
球形閥閥瓣軸瓦采用最新研制的燒結自潤滑軸瓦,以代替鋼背復合材料軸瓦和鑄錫青銅軸瓦,降低軸瓦造價,同時不需黃甘油潤滑,可取消銅瓦的注油杯,使結構簡單,加工方便,同時其摩擦系數小,提高了操作力矩的安全裕度。
2.8、球形閥上、下游密封環
由于電站水質差,密封環若用水操作需濾水器,且目前濾水器質量均不好,所以改用油操作,從而可節省雙向濾水器,使操作更可靠、安全。為了不使密封環腔內含有水分的油回到油壓設備中去,污染油源,銹蝕自動化元件,因此將密封環內的排油另接至用戶自備的廢油箱內。
2.9、空氣閥
空氣閥名義直徑為100mm,裝在球形閥伸縮管的頂部。當蝸殼放水時,它就自動打開。當蝸殼充水時,其內部的空氣通過空氣閥排入大氣中。當球形閥動水關閉時,空氣閥向蝸殼及伸縮管補入空氣,以免產生真空而喪失穩定性。
3、結語
小天都水電站球形閥于2006年8月投入商業運行以來,球形閥正常開、關時間為120s,整定油壓為3.6MPa,直徑100mm空氣閥補、排氣正常,直徑650mm接力器操作容量足夠,能自如地轉動球形閥,包括動水關閉球形閥。球形閥檢修密封、工作密封動作靈活,不竄油(水),比同電站的旁通閥的球形閥振動小,操作簡單,深受用戶好評。