四極質譜計分析與測量系統介紹

2013-04-09 蔡 瀟 核工業西南物理研究院

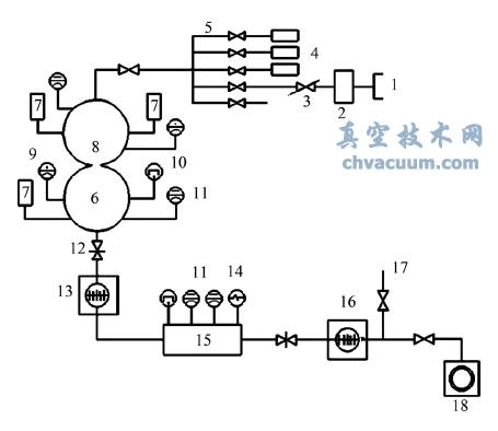
  四極質譜分析與測量系統的結構如圖1 所示。主要由標準漏孔、供氣系統、分析系統、抽氣系統和控制保護等幾部分組成。

質譜分析與測量系統結構圖

  1、D2、N2、He 氣源;2、穩壓室;3、微調閥;4、10-7、10-8、10-9He 標準漏孔;5、超高真空直角閥; 6、主真空室;7、四極質譜計;8、Φ33 孔;9、B-A 型電離真空計;10、冷陰極型電離真空計; 11寬量程真空計; 12超高真空插板閥;13、1300L·s-1 渦輪分子泵;14、電阻計;15、Φ63×200 真空室;16、70L·s-1 分子泵;17、檢漏儀進口;18、3L·s-1 直聯泵。

圖1 質譜分析與測量系統結構圖

1、系統真空室結構

  系統真空室采用Φ360mm 的雙球形容器,容積為48L。按對稱結構設計,由抽氣室和分析室兩部分組成,材料316L 不銹鋼。在分析室與抽氣室之間有一個圓孔短管,圓孔的直徑33mm,短管長10mm。在分子流20℃的條件下, 圓孔短管對氮氣的流導可由下式計算:

C =116A0α (1)

  式中,α 為克勞辛系數; A0 為圓孔面積。

  經計算,圓孔短管對氮氣的流導為82L·s-1。圓孔位于雙球內割線的位置上,氣體從上球室頂部引入,通過擋流板散射進入上球室,氣體分子至少與擋流板碰撞一次再進入上球室中,并經過上球室與下球室之間的圓孔被分子泵抽走。這種結構有利于在上球室和下球室中建立起各向同性的分子流狀態,保證了壓力的動態平衡。上球室有4 個標準CF35 法蘭接口和1 個標準CF50 法蘭接口,下球室有4 個標準CF35 法蘭接口,這些接口位于氣體注入口和抽氣口所連成的軸線相垂直的不同平面內,為避免規管工作時的相互干擾,接口法蘭通過不低于其標準通徑彎管或者直管與真空分析室連接,目的是保證測量管道的流導。直管的長度應保證測量規管的電極不暴露在真空分析室內,并使任何兩個接口之間的連線不通過球心。系統第二真空室配置于兩級分子泵之間采用Φ63mm×200mm 圓柱形結構容積0.62L。第二真空室用以開展相關真空檢漏技術研究。

2、抽氣系統

  抽氣系統由主抽分子泵、輔抽分子泵、機械泵、插板閥、閥門和管路等組成。在抽氣系統的設計中,為獲得較高的本底真空度,采用雙級分子泵串聯抽氣。渦輪分子泵可在真空分析室中獲得超高清潔真空,并對各種氣體的抽速無明顯的選擇性[4],選FF-200/1300L·s-1 分子泵(油脂潤滑)為主泵,抽速﹥10×82L·s-1(真空分析室限流小孔的流導)。在它的前級接有一個德國普發公司70L·s-1 型分子泵,此分子泵對He D2 等小分子量的氣體有較大的壓縮比,以便提高管道前級的極限真空。分子泵前配直徑Φ63 的手動閘板閥,前級泵為3L·s-1 的直聯泵。1300L·s-1 分子泵對20℃空氣有效抽速Se 由下式計算:

Se=Sp.C/(Sp+C)

  式中, Sp 為主分子泵抽速1300L·s-1;C 為管道流導。主抽氣管道長82mm、內徑Φ200mm,流導C由式(1)計算為 2615L·s1。由式(2)可知,主分子泵對20℃空氣有效抽速Se 為870L·s-1。

3、供氣系統

  真空氣體分析室的氣體入口分別安裝10-7、10-8、10-9Pa·m3·s-1 的標準He 漏孔,配置2 路供氣系統,通過超高真空角閥與真空校準室連接。標準漏孔用于漏率標定。供氣系統包括兩路相同的進氣氣路。氣源通過穩壓室,經由inficon VDH040-U 微調閥接入分析室,微調閥能精確控制送氣流量。

4、真空測量

  根據真空分析系統結構,工作氣體的組合及氣流狀態,按真空計的線性工作范圍和特性,在真空分析室上球室配置超高真空B-A 規(ZJ-12),中量程真空計(ZJ-27);下球室配置寬量程真空計、B-A 規、冷陰極電離真空計;第二真空室配置寬量程真空計,冷陰極電離真空計,電阻計。熱陰極電離真空計的優點是測量范圍寬,可以連續測量,線性好。冷陰極電離真空計具有靈敏度高、它可避免被真空室內部的化學活性氣體所毒化或破壞、壽命長特點。所有真空計有國家二級以上計量證。上球室CF35 法蘭上分別接實驗用四級質譜計是美國MKS公司的microvision plus 質譜計,質量數范圍為1~6。

  該質譜配有高頻率的射頻電路模塊和三級過濾分析頭,用于對He 和D2 的分辯。EXTORR XT100質譜計用于真空室的殘余氣體常規分析。

5、控制保護系統

  控制系統實現了整個抽氣系統的開、關機的自動控制,并設有手動與自動工作模式轉換開關。硬件上選用HMI+PLC 的主流搭配方式,HIM 用于系統與用戶之間進行交互和信息交換的媒介。PLC 自動控制采用日本OMRON 公司的可編程控制器,用于執行邏輯運算、順序控制、定時、計數與算術操作等面向用戶的指令,控制器與PC 機用RS-232串行通訊技術進行數據交換,完成對各級真空泵、閥門、真空計、水壓,氣壓及溫度信號進行采集測量與設備控制及保護。圖2 為四級質譜分析與測量系統工作流程圖。

 四極質譜氣體分析與測量系統工作流程圖

  圖2 四極質譜氣體分析與測量系統工作流程圖

全文閱讀:

  四極質譜計氣體分析與測量系統的研制