真空技術發展史的主要階段

2013-04-29 巴德純 東北大學

  一、歷史上有確切記載的,可以認為真空技術的歷史開始于1643年。當時,托里拆利(Torricelli)將一端密封的長管注滿水銀并倒置在盛有Hg(汞)的槽里時,發現了密封的玻璃管中760mm水銀柱頂端產生的真空。

托里拆利實驗

托里拆利實驗

  二、真空技術的初創時期延續到電燈泡的發明。在這段時期內,在氣體定律的基本原理方面,取得了重大的理論和實踐的科學技術突破。如玻義耳-馬里奧特,查理,蓋.呂薩克,伯努利,阿佛加德羅,麥克斯韋,玻爾茲曼等人的成就。

  1、玻義耳-馬略特定律:它反映氣體的體積隨壓強改變而改變的規律。對于一定質量的氣體,在其溫度保持不變時,它的壓強和體積成反比;或者說,其壓強P與它的體積V的乘積為一常量。

  2、伯努利與氣體分子運動論:伯努利明確地敘述了氣體分子運動論,認為氣體作用在容器壁上的壓力,可以用大量的分子快速地來回運動來解釋。

  三、真空實際使用的第一個進展,是和利用真空與大氣之間的壓力差所產生的機械作用力聯系在一起的。葛利克用一個由兩個半球合成直徑為119cm球體,內用真空泵抽空,在大氣壓力作用下在其兩邊各用8匹馬而不能拉開的這個經典實驗證明了大氣的力量。(此即所謂的馬德堡半球實驗)。后人把這個原理用于真空郵遞線和真空鐵路運輸。

馬德堡半球實驗

馬德堡半球實驗

  四、愛迪生對白熾燈的研制(1879年)也是早期發明排氣系統所產生的結果。(Toepler, Sprengel)白熾燈表明了低分子密度的用途(除去大氣的活性組分)。

  五、麥克勞真空計(1874年)第一次使測量低壓成為可能。

高精度直立式麥氏真空計

高精度直立式麥氏真空計

  六、克魯克斯(Crookes,1879)的陰極射線管是增大了的平均自由程的第一次利用。

 克魯克斯與陰極射線管

克魯克斯與陰極射線管

  七、而杜瓦瓶(Dewar,1893)則是真空絕熱的首次使用。

杜瓦瓶示意圖

杜瓦瓶示意圖

  八、真空二極管(1902)、三極管(1907)以及鎢絲(1909)的發明,開始了電子管的研制,并使白熾燈的研制日益成熟。在白熾燈生產中使用的真空的“質量”在電子管的新領域內顯得不足,這就促使真空的獲得和測量得到進一步發展。

早期的真空二極管、三極管

早期的真空二極管、三極管

  九、皮拉尼真空計、蓋德、朗繆爾的汞擴散泵以及熱陰極電離真空計為高真空技術的發展提供了可能。

熱陰極電離真空計

熱陰極電離真空計

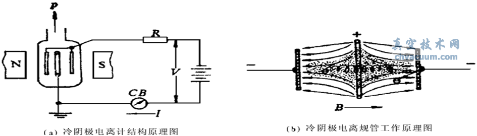
  十、高真空技術的發展一直延續到第二次世界大戰前后。在1935~1936年間取得了三項新成果:氣鎮泵油擴散泵以及冷陰極電離真空計。這些成果,直至現在仍是大多數真空系統的常用部件。

油擴散泵原理圖

油擴散泵原理圖

冷陰極電離真空計

冷陰極電離真空計

  十一、1940年以后真空技術在核技術研究(回旋加速器、同位素分離等),真空冶金,真空鍍膜,冷凍干燥設備方面有了很大進展,如1955年機械增壓泵的出現。

  十二、到1950年,真空度一般能達到10-4~10-5 Pa,或許達到更低的壓強但還不能測量。1950年B-A真空計的出現,為測量更低的壓強開辟了道路,進入超高真空領域。1953年出現的離子泵能獲得更低的壓強,即所謂的“清潔真空”出現。在過去的幾十年間,為完成最尖端科學技術的需要,真空技術向大容量化、高真空化和高清潔化的方向發展。