基于DSP2812開關柜真空管真空度在線監測裝置的研究

2013-10-06 張國棟 晉城供電分公司

  通過研究提出了一種通過測量屏蔽罩的交流電位,即屏蔽罩上積聚的靜電荷數量,來檢測滅弧室真空度的新方法。研制了電容分壓器式的電場探頭測試靜電荷產生的交流電場。該裝置通過監測真空管屏蔽罩交流電位的變化來監測真空度的變化,結構簡單、成本較低,克服了pockels 等光電探頭的晶體元件溫度不穩定的不足,測量可靠、便于安裝,是一種功能比較完備的實時在線監測裝置。

  一直以來,變電站高壓配電室中的高壓開關柜內真空開關由于真空管真空度劣化導致絕緣水平下降而引發的開關爆炸事故時有發生,不僅造成電網的事故停電而且對變電站巡檢人員構成生命威脅,為此采用交流耐壓法對真空開關真空管真空度進行檢測,該方法可作為真空開關真空度是否符合有關標準規定的直接判據,但只能提供一個粗略判定,不能判斷真空度變化趨勢,更無法對帶電狀態下的真空開關設備進行真空度在線監測。

  脈沖磁控放電法是目前真空開關真空度檢測儀中普遍采用的方法,該方法精度高、重復性較好,但是該方法是一種離線檢測方法,檢測時需要開關退出運行轉為檢修狀態時才能實施。采用基于冷陰極磁控放電法的監測裝置對真空管真空度進行檢測,可以對真空度變化情況實現實時在線監測,但實施監測時需要在滅弧室靜觸頭端密封蓋板上加裝一個微型的真空度傳感器,對真空開關滅弧室重新進行改造,因此,該裝置不能夠對現場已經投入運行的高壓開關柜內真空開關真空度進行在線監測。

  真空開關真空度在線監測前提是在開關帶電狀態且不改動開關主體結構的情況下,無論其處在運行或熱備用狀態都能夠實時監測其真空度變化情況。光電變換法是能夠滿足這種要求的一種監測方法,但構成其光電探頭的光電晶體傳感元件熱穩定性較低,難以適應開關柜內溫升變化,同時,與該電場探頭配套光電信號轉換設備成本較高,難于大面積推廣。

  本文針對電流熱效應等原因引起的高壓開關柜內溫度比較高的情況,尤其是在電網高峰負荷時段,開關柜內部溫度要比變電站高壓配電室室內溫度高出很多,現有能滿足高壓開關柜內真空開關真空度在線監測要求的監測設備存在熱穩定性差,成本費用高等問題,提供一種了溫度穩定性高、造價較低的在線監測裝置。

1、真空度測量原理模擬實驗

  設計了一套模擬高壓開關柜內真空管運行環境的試驗系統如圖1 所示。

真空度監測實驗系統圖

圖1 真空度監測實驗系統圖

  該系統可以控制模擬真空管內真空度的變化,主要包括真空校準系統、真空管運行環境、真空計、調壓系統。真空校準系統采用兩級真空泵構成,利用真空泵可以將滅弧室抽到正常運行時的真空度,此外,真空腔內的真空度可通過調節閥微量地調節;調壓系統可以改變加在真空管動靜觸頭之間的電壓。實驗時將本真空監測裝置直接貼在真空管的外壁上,調節并保持真空管動靜觸頭兩端電壓,通過調節閥改變真空管真空度的同時,利用本真空度在線監測裝置對真空管真空度進行監測實驗。

2、監測裝置硬件設計

  2.1、監測裝置組成及工作原理

  高壓開關柜內真空管真空度在線監測裝置,包括電容耦合器、電容分壓器、信號拾取電路、精密整流濾波電路、壓頻轉換電路、微處理器單元、聲光報警單元和通訊單元。電容耦合器是由兩塊高磁導率相同金屬的金屬板構成,其間由同種介質電容構成的電容分壓器連接,交流電場信號由電容分壓器低壓臂通過雙絞線引出至信號拾取電路,拾取信號經信號線傳輸至精密整流濾波電路,經整流濾波處理后傳送至壓頻轉換電路,由壓頻轉換電路將整流濾波后的信號轉換成頻率信號,頻率信號經光耦隔離后送至微處理器的捕獲單元,微處理器通過I/O口與聲光報警單元相連接,通過控制總線與通訊單元相連接。

監測裝置高壓端模塊框圖

圖2 監測裝置高壓端模塊框圖

  在上述裝置中,電容耦合器的兩塊金屬板之間由絕緣子支撐固定,其距離長短可根據開關柜內具體空間大小而定,電容耦合器的作用是耦合高壓開關屏蔽罩空間靜電感應電場信號,電容分壓器是由3個同種介質的高容抗電容串聯構成,包括1個高壓臂電容和2個低壓臂電容,靠近真空管管壁的為高壓臂電容,高壓臂電容與金屬板之間有電氣連接,兩個低壓臂電容與高壓臂電容串聯后與另1塊金屬板之間有電氣連接,經電容分壓器分壓后的交流電場信號與屏蔽罩交流靜電電位大小呈正比,該信號由兩低壓臂電容經雙絞線引出,引出信號連接至信號拾取電路,信號拾取電路經整流濾波和壓頻轉換后連接至微處理器,該裝置微處理器采用了DSP2812來完成信號的處理分析。

  2.2、信號拾取電路設計

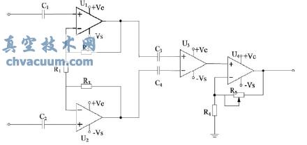
  本裝置中信號拾取電路的主要作用是拾取電容分壓器的取樣電壓信號,將電容分壓器分壓保持的耦合電壓信號無失真性地獲取,并完成分壓耦合電壓信號與后續信號調理電路之間銜接。一般情況下,信號測量電路從高容抗的電容分壓器中取樣出來的交流電壓信號是一個零點不斷發生漂移的不穩定信號,不經過特殊的信號拾取電路無法將其無失真地拾取,針對此,在研究電容分壓器低壓臂信號特點的基礎,設計了高輸入阻抗的信號拾取電路;該電路的特點是輸入阻抗大,可抑制共模干擾信號,從而有效防止輸出信號發生信號漂移現象,其電路計如圖3所示。U1、U2、U3構成了1個三運放信號測量放大電路;設計中為增大電路的交流輸入阻抗、加快其交流響應速度、濾除拾取信號中的直流分量,在一級運放前端和二級運放前端加入了高容抗的交流耦合隔直電容C1、C2、C3、C4,電容取值應與低壓臂電容取值相匹配。另外,為了使得差分運算放大器U3的輸出信號達到微處理芯片的最佳處理狀態,電路中還加入了由運算放大器U4構成的同比例運算放大電路。

信號拾取電路

圖3 信號拾取電路

  圖中運算放大器U1、U2 選取高輸入阻抗芯片OPA128,放大器U3 選擇芯片IN105,放大器U4 選取芯片CA3140 來實現其功能,其中芯片IN105 具有差分放大功能,其內部集成了4 個等值的精密電阻,從而保證了差分放大時差模干共信號地有效濾除,IN105 內部電路圖如圖4 所示。

IN105 內部結構圖

圖4 IN105 內部結構圖

  實驗中,將5 管腳與6 管腳相連,構成一個減法運算的差分電路。設Uout 為6 管腳輸出電壓,u2 為2管腳輸入電壓,u3 為3 管腳輸入電壓,四個電阻阻值相等,分別記為R6、R7、R8、R9 可得Uout 為

  從而可以得到圖3 運算放大器U3 輸出電壓,設圖3 中運算放大器U1 輸入電壓為U1、輸出電壓為Uo1,運算放大器U2 輸入電壓為U2、輸出電壓為Uo2,運算放大器U3 輸出電壓為U3,運算放大器U4 輸出電壓為即整個電路的輸出為Uo。在第一級電路中,輸入電壓U1、U2 分別加到運算放大器U1 和U2 的同相端,R1、R2 和R3 組成的反饋網絡引入了深度電壓串聯負反饋,兩個運算放大器U1、U2 的輸入端形成虛短和虛斷,因而有

  根據式(1)的關系可得

  圖3 中U4 構成同比例運算電路,由“虛短”和“虛斷”的概念得集成運放U4 的輸出電壓為

  調節R5 的阻值可以實現不同的輸出電壓。

  2.3、精密整流濾波電路設計

  由于從電容分壓器取樣出來的信號是工頻的交流電壓信號,而壓頻轉換芯片一般是將單極性的直流信號轉換為頻率信號的,無法將工頻交流信號轉換為數字脈沖形式的頻率信號,針對此在壓頻轉換器前端設計了精密整流濾波電路,其作用主要將拾取的工頻交流信號整流成直流信號,以便符合壓頻轉換器件輸入信號的要求,其電路設計如圖5所示。

精密整流濾波電路

圖5 精密整流濾波電路

  圖中D1、D2 選用反向漏電流較小的鍺開關二極管, U5、U6 選用具有高輸入阻抗和低輸入失調電壓、噪聲小、轉換速率高,適合對小信號條件下電壓/電流信號進行精密整形和放大的運算放大器。

  2.4、壓頻轉化電路設計

  高壓開關柜內,空間較小,電磁干擾嚴重,加上本方法中從電容分壓器拾取的屏蔽罩電位信號較為微弱,為了增強監測裝置的抗干擾性,特將整流濾波后的直流模擬信號轉換為抗干擾能力強的脈沖頻率式數字信號,其壓頻轉化電路設計如圖6 所示。其中U7采用LM331,該芯片輸出滿量程頻率范圍為:1Hz~100kHz,而且其輸出脈沖與所有邏輯形式兼容。

壓頻轉化電路

圖6 壓頻轉化電路

  2.5、報警電路的設計

  利用低壓端微處理器DSP 的GPIOD0 給聲光報警器提供一個低電平可使聲光報警器發出聲光報警。報警電流可在真空開關真空度不滿足設置要求時進行報警,從而為現場工作人員提供信號提示,便于變電站巡視人員在真空開關真空度劣化前發現其缺陷。

報警電路

圖7 報警電路

  DSP 的I⁄O 管腳輸出電平是3.3V,蜂鳴器的驅動電壓是5V,因此,在用DSP 的I/O 管腳對蜂鳴器進行控制之前應該先進行電平轉換,另外為了滿足蜂鳴器的驅動電流,在電路設計中加入了NPN 的三極管來作為蜂鳴器的功率驅動。

3、監測裝置的軟件設計

  系統軟件由初始化程序、頻率信號采集程序、信號頻率與真空度變化對應關系處理程序、聲光報警程序和通信程序組成。頻率信號采集程序完成了信號的頻率采集計算,信號頻率與真空度變化對應關系處理程序完成了頻率信號大小與其對應真空度變化關系的處理,聲光報警程序能夠實現真空度劣化預報警功能,485 通信程序完成了本監測裝置與其他監測裝置的并網連接和數據共享,微處理器通過對頻率信號的軟件處理后,可實現分辨率為10-2的真空度在線監測。

  頻率信號的采集采用DSP2812 捕獲口CAP2 來實現,上升沿捕獲。設置EVA 的T1 為連續增計數方式,二分頻,寫0xFFFF 到周期寄存器TIPR 以使兩次捕獲的計數值之差盡可能大。

  進入捕獲中斷子程序后,首先清CAP2 中斷標志位,從2 級深度FIFO 中依次讀出兩次捕獲的計數值num 1 和num2。進而可得在被測頻率的一個周期內定時器T1 的周期數數N,則被測頻率為fx=fs/N。(fs為DSP主頻150MHz 經高速預分頻后為75MHz,再經T1 預設分頻,選2 分頻,75M/2=37500000)。

4、實驗結果及其分析

  真空度監測裝置實驗主要完成了信號拾取電路、精密整流濾波電路及不同真空度時,真空度傳感器信號采集情況的調試。

  圖8 為電容分壓器低壓臂的原始信號,該信號是一個頻率為50Hz 的不規則波形;圖9 為信號拾取電路的輸出波形,由波形圖可知,該電路不但可以較好地拾取分壓電容器低壓臂電壓波形信號而且具有濾除干擾信號的功能,電路經長時間運行證明信號拾取電路的輸出穩定,能夠穩定、準確的反映電容分壓器低壓臂交流電場信號的變化情況;圖10為精密整流濾波電路的輸出波形,由實驗波形可知,精密整流濾波電路的輸出能夠較準確地反映信號拾取電路輸出波形的峰值,圖11 為壓頻轉換電路的輸出波形,以數字脈沖形式傳輸增強了信號的抗干擾能力。

  另外為檢驗傳感器性能和分辨率,實驗室利用真空度實驗系統模擬同一管型同一電壓情況下不同真空度的真空管,將之作為監測對象,進行了對比實驗,分別進行了真空度為1.1×10-1Pa 及6.1×10-1Pa時的實驗。圖12 的(a)和(b)為在這2 種真空度情況得到的實驗波形,由圖12 的(a)中輸出的脈沖波頻率為1.031kHz,(b) 輸出的脈沖頻率為1.429kHz,得知該真空度在線監測裝置可分辨的真空度變化量為10-1Pa。

5、結論

  本裝置采用電容分壓器式電場探頭來監測真空管內屏蔽罩上交流電位,很好地解決了現有監測裝置熱穩定性差的問題。裝置結構簡單小巧、安裝方便、成本較低、有較好的抗干擾能力。基于DSP2812 的真空度在線監測裝置不僅適用于變電站高壓配電室結構緊湊的10kV 或35kV 高壓開關柜,也可應用于其它高電壓等級的真空開關,具有較廣泛的應用價值。