拋物線閥瓣的加工分析和宏程序編制
1、概述
閥瓣是單座調節閥的重要零件之一,因為其形狀控制著調節閥的流量特性,故對其形狀要求非常嚴格。常用的理想流量特性有直線、等百分比和快開特性,而拋物線特性常應用于一些特殊場合。數控加工中,拋物線是較典型的非圓曲線。目前,數控系統中還未提供完善的非圓曲線插補功能,一般采用直線擬合,應用宏程序編制加工。
2、工藝分析
2.1、零件圖分析
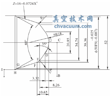
拋物線閥瓣(圖1)曲面的方程式Z=16-0.0724X2。設X軸步距為0.05mm,原始毛坯尺寸為Ф55mm×98mm,材料為316L。閥瓣加工時,采用三爪自定心卡盤裝卡(圖2),工件坐標原點設在工件旋轉中心右端面。數控車床是采用國產華中系統的CK616i車床。
2.2、宏程序WHILE語句
華中系統宏程序主要用WHILE[表達式]所引導的循環語句,當指定條件滿足時,執行WHILE……ENDW之間的程序。當條件不滿足時,執行ENDW后續的程序段。

圖1 閥瓣
2.3、加工程序
T01刀不重磨機夾式車刀
N10M42 主軸檔速選擇
N20M03S500 主軸正轉,轉速500r/min
N30T0101M08 執行1號刀1號刀補,冷卻液開
N40G00X56Z2 快速移動至循環起點(B點)
N50G71U0.5R0.5P60Q190X0.6Z0.01F100 每次切削0.5mm每次退出0.5mm循環從N60行開始到N190結束,直徑方向精加工余量0.6mm長度方向精加工余量0.01mm粗加工進給量100mm/min
N60G00X0 快速至中心(C點)
N70G01Z0F80 至工件編程原點(O點)
N80G03X20.85Z-3.32R18F80 車削圓弧至Ф20.85mm長度3.32mm半徑18mm(D點)
N90G01X34.74Z-8.26 車至Ф34.74mm長度8.26mm(E點)
N100G03X38.36Z-10.65R5 車削圓弧至Ф38.36mm長度10.65mm半徑5mm(F點)
N110﹟10=19.18 設置X向半徑起始變量
N120WHILE﹟10LE25 判斷X向半徑是否到終點
N130G01X[2*﹟10]Z[16-0.0724*﹟10*﹟10]拋物線插補
N140﹟10=﹟10+0.05 X變量步距每次0.05mm
N150 ENDW
N160 G01X50Z-29.25車至Ф50mm長度29.25mm(G點)
N170X52Z-30.98車至Ф52mm長度30.98mm(H點)
N180Z-35.25 車至長度35.25mm(I點)
N190X56退出至Ф56mm
N200G00X100Z100 快速移動到換刀點
N210T0100M09 取消刀補,冷卻液關
N220M30 程序結束

圖2 閥瓣加工
3、結語
對于拋物線等規則閥瓣曲面的編程,使用CAD/CAM軟件,一般存在工作量大,程序龐大,加工參數不易修改等缺點。但宏程序把機床功能參數與編程語言結合,靈活的參數設置也使機床具有最佳的工作性能。同時給予操作過程較大的自由調整空間。