噴管式壓力無關型定風量閥的性能實驗研究
根據國內外相關規范的要求,設計了噴管式壓力無關型定風量閥的性能檢測實驗臺。實驗結果顯示,閥芯的初始位置與閥芯的最大初始位置的比值為50%~75%,且閥前后壓差為300~800Pa的范圍內,風量相對誤差絕對值不大于20%。分析了各結構參數對閥性能的影響,為改進和完善閥體的設計提供參考。
隨著對空調系統精度要求的提高,定風量閥的應用備受人們的重視。目前市場上定風量閥可以分為兩大類,一類是根據測得的流量信號來驅動執行機構動作實現流量控制,另一類是通過自身的壓力感應元件調節閥位實現定風量控制。噴管式壓力無關型定風量閥的閥芯無需外加動力,可由彈簧根據風管內靜壓的變化推動閥芯沿軸向移動,從而保持恒定的流量。
文丘里閥在國外已出現多年,它是噴管式定風量的一種形式。噴管式定風量閥與其他類型的定風量閥相比,具有風量控制精度高,響應時間短,可調比大,能在較大的壓力范圍內實現壓力無關型調節等優點。Phoenix Controls公司的文丘里閥在0~750Pa的壓差范圍內,風量調節誤差在5%范圍內。由于這種閥體在室內環境品質控制和節能方面的突出優勢,近年來我國有學者開始對噴管式定風量閥進行研究。鄧玉海等人借助ANSYS有限元計算軟件,建立了數學模型,得到了不同風量下繞流阻力與閥芯位置的曲線圖,但由此得出的彈簧的彈性曲線較復雜,給彈簧的設計帶來了很大的難度,實際應用較為困難。國內對此閥體的實驗研究未見報道,尚無噴管式定風量閥完整的設計規范要求。本文參考ANSI/ASHRAE相關標準,設計了噴管式壓力無關型定風量閥的性能檢測實驗臺,并對國產噴管式定風量閥的性能進行實驗研究,分析各參數對其性能的影響,為改進和完善噴管式定風量閥的設計提供科學依據。
1、噴管式定風量閥的結構及工作機理
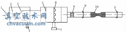
噴管式定風量閥主要由閥體、閥芯、執行機構和連桿等部分組成(見圖1)。閥芯內安裝有一個可以伸縮的彈簧。

1 執行機構 2 連桿 3 閥體 4 閥芯 5 彈簧
圖1 噴管式定風量閥的結構簡圖
當噴管式定風量閥水平安裝在風管系統中時,空氣流過閥體,閥芯主要受以下兩個力作用而處于某一平衡位置(忽略閥體機械部件之間的摩擦力)。
1)空氣對閥芯的作用力
空氣流過閥芯,會有一定的繞流阻力。繞流阻力包括摩擦阻力和形狀阻力,可表示為

式中 D為閥芯受到的繞流阻力,N;CD為繞流阻力因數;ρ為空氣的密度,kg/m3;u為未受干擾時的空氣來流速度,m/s;Af為閥芯的迎流面積,m2。
2)彈簧對閥芯的作用力
采用圓柱等節距彈簧,彈簧對閥芯的作用力可表示為

閥芯穩定時,在水平方向上受到的氣流和彈簧的作用力大小相等、方向相反,閥芯位置不變,即
D=F (3)
當風管內的靜壓發生變化時,空氣對閥芯的作用力也隨之發生變化,在水平方向上閥芯受到的力不再平衡。在空氣和彈簧的合力作用下,閥芯的位置發生移動,從而達到新的平衡位置。空氣的過流面積隨著閥芯的移動也在變化,保證流過閥體的空氣流量不變。噴管式定風量閥的理想壓差流量特性曲線如圖2所示。

圖2 噴管式定風量閥理想壓差流量特性曲線
2、實驗原理與實驗裝置
為測試定風量閥的阻力流量特性,設計了相應的實驗裝置。該性能測試裝置主要由風機送風段、風量測量段、壓差測試段以及連接各功能段的風管、控制系統等組成。圖3為噴管式定風量閥性能測試實驗臺原理圖。風機送風段采用變頻風機,在進口處加裝進口噴管和格柵,使進口氣流更加均勻、減少波動,保證流量的穩定;風量測試段采用多個喉部直徑不同的噴嘴,可根據實際流量選用合適的噴嘴或噴嘴組合;在閥體前1.5倍直徑和閥體后2.5倍直徑處分別安裝一個靜壓環。實驗臺參照ANSI/ASHRAE Standard 130-2008建立,所選用的測試儀器滿足ASHRAE StANDARD 41.3-1989和我國GB/T 2624—2006等相關標準,壓力測量采用SwemaAir 300型數字式微壓差計,精度為1級。在閥前靜壓為50~1000Pa的范圍內,實驗臺可提供的風量范圍為30~3000m3/h,風量誤差小于2%。

1進口噴管 2格柵 3送風機 4變頻器 5整流板 6噴嘴 7壓差計 8整流柵 9靜壓環 10被測閥體
圖3 實驗臺原理示意圖
單個噴嘴的風量可通過下式計算

式中 Qi為通過單個噴嘴的空氣流量,m3/h;C為噴嘴流量系數(流量系數與雷諾數之間的對應數據);A為噴嘴喉部面積,m2;ΔP'噴嘴前后的靜壓差,Pa;ρ為噴嘴喉部的空氣密度,kg/m3。

式中 pt為噴嘴進口靜壓,Pa;B為大氣壓力,Pa;T為空氣熱力學溫度,K。
通過噴管式定風量閥體的實際風量按下式計算

式中 Q為通過風閥的空氣流量,m3/h。
在測量時,選取合適的噴嘴組合,通過變頻器調節送風機的頻率,從而得到噴嘴前后的壓差,根據噴嘴進口靜壓、大氣壓力和空氣溫度等參數,利用上述公式計算得到通過閥體的流量。
為研究閥芯在不同初始位置處的定風量效果,從最小風量到最大風量,共設定5組工況。最小風量時閥芯的初始位置x0=0,最大風量時閥芯的初始位置為xm(如圖4所示)。閥芯的位置用閥芯的初始位置與閥芯最大初始位置的比值η來表示,即

式中 x為閥芯的初始位置,m;xm為閥芯的最大初始位置,m。

圖4 閥芯位置示意圖
最小風量對應的η值為0,最大風量對應的η值為100%。實驗所選用國產噴管式定風量閥的型號為Φ200,具體工況設定見表1。
表1 實驗工況設定

3、實驗結果與分析
圖5為由實驗所得的噴管式定風量閥的阻力-流量特性曲線;圖6為噴管式定風量閥前后壓差300~800PA時的流量相對誤差;圖7顯示了噴管式定風量閥流量的絕對誤差和標準差;圖8為噴管式定風量閥風量和閥芯位置的關系曲線。

圖5 噴管式定風量閥阻力-流量特性曲線
1)由圖5可見,定風量閥的前后靜壓差在150~200PA以下時,隨著定風量閥前后靜壓差的增大,通過閥體的空氣流量迅速增加;在靜壓差達到150~200PA左右時,空氣流量突然下降并逐漸穩定。因此,該定風量閥的最小工作壓力在200PA左右。

圖6 噴管式定風量閥流量相對誤差

圖7 噴管式定風量閥流量絕對誤差和標準差

圖8 噴管式定風量閥風量和閥芯位置比值的關系
最小工作壓力是定風量閥的一個重要指標,是判斷其性能優劣的重要參數之一。較小的工作靜壓意味著風機僅需要提供較小的動力,從而對系統的節能有著重要意義。國外性能優良的定風量閥的最小工作壓力小于100Pa。影響定風量閥最小工作靜壓的因素主要是閥體收縮段的型線、閥芯形狀以及閥芯與軸之間的摩擦力。在閥體與閥芯結構參數一定的情況下,閥芯與軸之間的摩擦力是決定定風量閥最小啟動工作壓力的主要原因。當定風量閥被調整到新的風量,彈簧被壓縮,閥芯移動位置之前,氣流對閥芯的作用力需大于閥芯與軸之間的最大靜摩擦力。當氣流對閥芯的作用力小于最大靜摩擦力時,彈簧保持原長,閥芯位置不變,風量持續增加。當氣流對閥芯的作用力與最大靜摩擦力相當時,閥芯將會移動,在氣流和彈簧的合力作用下,達到新的平衡位置。
2)由圖5可以看出,在300~800Pa范圍內,風量相對穩定。在一定的壓差范圍內,閥芯會在氣流和彈簧的作用下移動,從而調節過流面積,使流量保持相對恒定。閥體形狀,尤其是閥體收縮斷面的型線對風閥定風量的效果起著至關重要的作用。在圖6所示5組工況中,有2組工況的風量明顯增大,2組風量逐漸緩慢減小。該閥若要精確控制流量,收縮斷面的型線有待進一步完善。
3)由圖5可以看出,在壓差大于800Pa時,風量開始快速增加。靜壓差過大時,彈簧形變達到最大被壓縮至最短后,閥芯不能繼續移動,過流面積也已經達到最小;此時,靜壓差繼續增加,風量也將迅速增大。
4)流量設定在最小和最大值時,流量誤差顯著增大,且流量都隨著壓差的增加而增加;流量設定在中間值時,其流量的相對誤差較小。如圖6所示,工況2,3和4即50%≤η≤75%時,在閥前后壓差300~800PA范圍內流量相對誤差絕對值都不超過20%,其中工況4的最大相對誤差為5.5%;而在流量最小的工況1和流量最大的工況5共計12組數據中有5組數據的流量相對誤差絕對值超過了20%,且最大超過了35%。從圖7中也可以看出,在10%≤η≤75%時,風量絕對誤差小于100m3/h,標準偏差小于60m3/h。而工況5的流量絕對誤差和流量標準差顯著增大。在小流量時,閥芯與軸之間的摩擦力影響閥芯的位置,從而使流量偏差增大;在大流量時,閥芯所處位置的流通截面較大,且流通截面面積的變化率較大,閥芯位置小的偏差都會引起過流面積較大的變化,從而引起流量控制的偏差。
5)從圖8中可以看出,該閥流量與閥芯初始位置近似呈線性關系,但是其實驗值和擬合值的偏差在η=60%時較其他工況顯著增大。
4、結論
4.1、該實驗裝置能夠提供的靜壓范圍為50~1000PA,風量范圍為30~3000m3/h,壓力精度為1級,風量誤差小于2%,滿足噴管式定風量閥的性能檢測需求。
4.2、國產噴管式定風量閥在閥前后壓差為300~800PA范圍內且10%≤η≤75%的情況下,定風量效果較好,風量絕對誤差小于100m3/h,標準偏差小于60m3/h;其中當50%≤η≤75%時,其風量相對誤差不超出±20%范圍。
4.3、國產噴管式定風量閥流量與閥芯初始位置近似呈線性關系。
從上述實驗研究結果看,國產噴管式定風量閥還有待于進一步完善和改進,其中閥體流通截面沿程變化是今后研究的重點之一。