EAST彈丸注入系統及其工程調試

2013-07-06 李長征 中國科學院等離子體物理研究所

  超導托卡馬克(EAST)彈丸注入系統能夠連續制備和發射多顆彈丸,其能夠在連續100s的彈丸發射過程中保證可靠性大于99.6%。彈丸形狀為直徑2mm,長度2mm的圓柱體,注入頻率1~10Hz,注入速度150~300m/s可調。目前,彈丸注入系統已經安裝在EAST裝置上,經過臺面測試和聯機調試,證明系統性能可靠。本文主要介紹了彈丸注入系統的組成、原理、調試以及相關彈丸注入等離子體改變其行為的實驗結果。

  彈丸注入是等離子體加料的主要手段之一。與普通充氣加料方式相比,彈丸注入加料具有更高的加料效率和更深的燃料粒子沉積,可以獲得更加純凈的等離子體。同時,彈丸注入還可以改善等離子體的性能。如提高等離子體密度;降低粒子在器壁的滯留,改善邊界再循環,提高等離子體約束性能;改變高約束模(H模)等離子體放電的邊界局域模的行為,改善H模等離子體放電性能,降低第一壁熱負荷。EAST自2006年建成投入實驗以來參數不斷提高,更于2010年分別實現了大于60多倍能量約束時間高約束模式(H模)等離子體放電,100s 1500萬度偏濾器長脈沖等離子體放電,最高等離子體平均電流達1MA。為滿足EAST高參數、長脈沖等離子體運行要求,中科院等離子體所與俄羅斯培林實驗室(PELIN Laboratory Ltd.)合作研制了一套彈丸注入系統,工程調試獲得了良好結果,并已在本輪物理實驗中投入使用。

1、彈丸注入系統的構成和工作原理

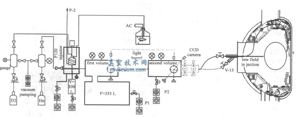
  EAST彈丸注入系統主要由以下子系統組成:擠壓制冰器系統,丸料氣體和推進氣體的供氣系統,真空擴散系統,液氦冷卻系統,診斷系統(彈丸速度測量等)和自動控制系統。彈丸注入系統的結構概貌如圖1所示。

EAST彈丸注入系統示意圖

圖1 EAST彈丸注入系統示意圖

  擠壓制冰器系統是由俄羅斯培林實驗室研制的。其主要由真空室、擠壓桿、擠壓驅動器、彈丸切割器、快速電磁閥、液氦蒸汽調節閥和壓力和溫度傳感器等構成。其優點是可以根據實驗要求,實現單發彈丸注入和連續多發彈丸注入的快速切換,成冰質量高,切割成型時彈丸完整性好。圖2給出了擠壓制冰器的結構示意圖。

擠壓制冰器結構示意圖

圖2 擠壓制冰器結構示意圖

  真空擴散系統的主要目的是抽出彈丸推進氣體氦氣,防止其進入裝置,引入雜質和影響裝置真空度。采用二級擴散,第一、二級擴散室體積為15.7L,緩沖室體積為355L,一級擴散和二級擴散的主泵為抽速為1200L/s的FF-200分子泵;彈丸制備器本身的真空熱絕緣維持采用抽速為100L/s的抽氣機組;同時為了有效抽除連續制冰和發射彈丸過程中產生的大量廢冰和廢氣,與擠壓切割器連接一個100L的緩沖罐并配備一干泵機組抽氣。經過理論計算,穩態運行下二級擴散室真空不高于1.67×10-4 Pa的壓強,這樣的氣壓再經過管道與裝置相連,基本可以忽略對裝置真空的影響。

  EAST彈丸注入器制冰過程中需要提供一定流量(15L/s)及溫度的液氦蒸汽用于冷卻加料氣體,且蒸汽絕對壓力不可高于0.13MPa。為實驗期間系統的穩定可靠運行,采用從低溫系統引入液氦在注入器入口出將其加熱氣化到指定溫度及壓力以便制冰使用。液氦供給系統的示意圖如圖3所示。液氦管道從內置低溫泵分配閥箱引致EAST裝置水平A窗口下方。在注入器入口處布置一段加熱絲(最大加熱功率45W)、熱電偶和壓力傳感器,并通過PID儀表反饋調節,保證進入注入器的液氦蒸汽溫度大于5K,壓力不高于0.15MPa。實驗中,降溫過程中液氦消耗量約為0.7g/s,降溫到位時間約為2.5h。

彈丸注入器液氦供給示意圖

圖3 彈丸注入器液氦供給示意圖

  擠壓制冰器的工作原理:首先將制冰器系統抽真空,然后啟動液氦冷卻系統對制冰器進行降溫,至成冰溫度后,從供氣系統將燃料氣體引入冷凝池并被液氦冷卻成霜,擠壓桿在步進電機的旋轉下將燃料氣體擠壓成冰從底部直徑2mm的管道推出,與冰柱垂直的切割器包含一個直徑2mm的薄壁圓管,在電磁力的作用下水平運動并切割冰柱形成直徑長度均為2mm的彈丸。成冰之后切割器尾部的快閥快速打開高壓氣涌入管道中加速彈丸從出口飛出進入真空擴散室和診斷室。

2、系統調試

2.1、臺面測試

  彈丸注入系統臺面測試的主要目的是系統設計相關參數的檢驗,以及不同速度與頻率下彈丸注入器穩定性的測試。聯機調試的主要目的是測試彈丸在高場和低場注入時的可靠性。臺面測試和聯機調試的燃料氣體為氘氣,壓力0.4~0.5MPa,推進氣體為純度為99.99%的氦氣,壓力0.2~0.3MPa。測試中,使用液氦杜瓦供給液氦并采用加熱絲加熱液氦獲得液氦蒸汽,冷卻燃料氣體。

  測試之前,對整個系統進行常規檢查,如切割機能否正常工作。然后按照操作規范啟動泵組,擠壓制冰器真空室的真空度應小于1Pa,擴散室真空度應低于5×10-3 Pa。之后,打開制冰器的所有電子單元和PLC邏輯控制器,打開工業計算機,啟動控制程序。打開燃料氣體和推進氣體氣源,將供氣系統管路抽空,分別用燃料氣體和推進氣體置換相應的送氣管路,保持管路的純凈。連接液氦杜瓦,

  并用加熱絲對其進行加熱,開始加熱參數設置為I=1.60A,V=20V,液氦蒸汽進入制冰器開始冷卻燃料氣體,在此過程中每15min記錄溫度和真空度等參數。觀察控制界面溫度參數的變化,當液化器溫度Tl小于20K和擠壓機溫度TE小于12K,即可開始制丸,在控制界面上設置推進氣體壓力、注入頻率、擠壓機的轉速等參數,按下stand by empty,開始填料,大概15min后,進氣閥門關閉,進入stand by full狀態,擠壓器開始工作,1~2min后,可在觀察窗看到/冰柱0的出現,如圖4所示。擠壓過程結束之后,通過控制界面的continuous or single按鈕可以開始發射彈丸。圖5給出的是在設定參數為注入頻率10Hz,注入速度300m/s的情況下連續100s發射彈丸的情況下拍攝到的一組彈丸照片,其可靠性為100%。

CCD相機觀察到的冰柱

圖4 CCD相機觀察到的冰柱

連續100s發射彈丸

圖5 連續100s發射彈丸

2.2、聯機調試

  聯機調試的主要目的是測試彈丸發射以后,通過傳輸管道進入EAST裝置的穩定性和可靠性。其中,低場側注入管道長約4.5m,高場側注入管道長約9.5m。前期準備工作與成冰過程與臺面測試大致相同。為了監測彈丸能否通過傳輸管道進入裝置,在高場和低場注入的管道處連接了鋁箔,通過觀察彈丸發射后鋁箔的變形情況進行判斷。圖6給出了聯機調試的測試結果。

聯機調試的測試結果

圖6(a)裝置內高場注入管道末端與鋁箔連接;(b)彈丸注入后,低場側鋁箔被彈丸擊穿;(c)彈丸注入后,高場側鋁箔被彈丸擊穿

3、彈丸注入對等離子行為影響實驗

  2012年EAST春季實驗,分別進行了低場和高場的彈丸單發和多發注入實驗。彈丸注入后,引起了等離子體參數一系列變化。最明顯的變化是等離子體密度上升,Ha線輻射增強,CIII和OII等雜質輻射也增強,電子溫度降低以及軟X射線輻射強度降低等。圖7(高場注入單發彈丸)和圖8(低場連續注入9發彈丸)分別給出了相關的實驗結果。

彈丸注入對等離子行為影響實驗

圖738098炮,3s注入彈丸后的放電曲線

彈丸注入對等離子行為影響實驗

圖841878炮,315s開始連續注入9發彈丸Ha變化剖面圖

4、總結

  EAST彈丸注入系統經過臺面實驗和工程調試,成功制出高質量的氘冰柱并切割、發射了氘彈丸,最高發射頻率達10Hz。在長時間連續工作的情況下仍能保證很高的穩定性。EAST彈丸注入系統分別首次實現了從低場和高場的彈丸注入等離子體,并取得了一些初步實驗結果。這些都表明了EAST彈丸注入系統很好地完成了設計目標。同時,在實驗中也發現了一些問題,如連續100s注入彈丸時將產生過多的廢冰和廢氣;以及速度較快的彈丸經過長距離的傳輸管道破損和消融問題。下一步計劃是針對這些不足之處進行改進和完善,為彈丸注入系統進一步參與物理實驗提供更好的平臺。