NBI綜合測試臺真空監控系統設計

2015-03-09 宋士花 中科院等離子體物理研究所

  設計了一套基于可編程邏輯控制器(PLC)的真空監控系統,實現了對中性束注入(NBI)綜合測試臺系統真空環境的實時監控。該系統通過自動控制抽氣回路閥門和泵的啟停以實現真空壓力維持;通過繪制波形實時顯示離子源及真空室不同位置的真空壓力并實現數據存儲,為物理分析提供實驗數據。全圖形化的人機操作界面實現了系統操作運行的可視化,Profibus 總線協議和PLC 模塊化結構使得系統具有可擴展性和兼容性。實驗表明,系統運行穩定可靠,為NBI 綜合測試臺不同工作模式提供了必需的真空環境。

  中性束注入(Neutral Beam Injection ,NBI)是國際上大型磁約束聚變實驗裝置都在研究和使用的重要輔助加熱手段之一。將高能中性粒子束注入到磁約束等離子體裝置的約束區中,通過電離或電荷交換與本底等離子體的離子和電子碰撞而加熱等離子體。NBI 綜合測試臺是一個多功能試驗平臺,主要由強流離子源、主真空室、真空抽氣系統、供氣系統、水冷循環系統、電源系統、控制系統等組成,如圖1所示。基于該平臺可對NBI 系統各部件進行性能測試和實驗研究,還可開展與NBI 加熱、聚變裝置第一壁等相關的高熱流承載部件材料與結構的熱力性能測試研究。NBI 綜合測試臺主真空室是束流經過的通道,為各種部件提供真空環境和支撐平臺,由三段組合裝配。真空系統是NBI 綜合測試臺重要的組成部分,為實驗運行提供工作氣體、控制氣體和高真空環境,為測試臺提供實驗需求的進氣量以及良好的真空維持抽氣能力。為保障測試實驗順利進行必須對真空系統進行實時監控與連鎖保護。本文設計完成的以西門子S7-300PLC 為控制核心的NBI 綜合測試臺真空監控系統在抽氣性能測試時檢測、記錄實驗分析數據,在中性束起弧放電及束引出實驗過程中完成進氣流量和真空壓力的實時監控和保護。

NBI 綜合測試臺系統組成

圖1 NBI 綜合測試臺系統組成

1 、真空監控系統設計

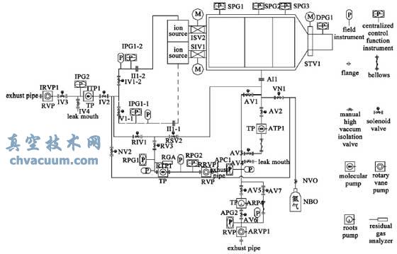
  NBI 綜合測試臺真空系統由輔助抽氣系統、低溫抽氣系統和供氣系統組成。輔助抽氣系統包括主真空室抽氣回路、離子源抽氣回路、離子源與主真空室殘余氣體成分分析抽氣回路和一個低溫冷凝泵再生服務的高純氮氣充氣回路,如圖2 所示 。主真空室抽氣回路對離子源系統和綜合測試平臺主真空室進行初級真空抽氣,達到離子源起弧放電的要求。低溫抽氣系統在初級真空環境基礎上對主真空室繼續進行真空抽氣,達到束引出要求的高真空環境。供氣系統為離子源與中性化室提供工作氣體,并為各氣動閥門提供控制用壓縮空氣。在主真空室三段分別安裝真空規管以測量該處真空壓力,測量真空梯度分布。

NBI 綜合測試臺真空系統示意圖

圖2  NBI 綜合測試臺真空系統示意圖

  1.1 、硬件設計

  真空監控系統提供本地和遠程兩種工作模式,本地控制模式主要用于真空和供氣系統的日常維護、測試、故障排查和運行;遠程控制用于實驗運行過程狀態監控和遠程自動運行控制。真空系統主要由渦輪分子泵機械泵殘余氣體分析儀(RGA)以及相應的管道、閥門和真空規管等組成,控制對象如表1 所示。主真空室真空測量規管采用INFICON 潘寧真空計PEG100-P ,提供了模擬量對數輸出和Profibus-DP 通訊接口。離子源頭部規管采用普發CMR364 電容薄膜真空計,實時監測放電室起弧放電期間的真空壓力動態變化趨勢,輸出信號為模擬量。

表1  VMS控制對象

NBI綜合測試臺真空監控系統設計

  選用西門子公司S7-300 系列PLC 完成輔助抽氣系統和供氣系統設備狀態監控和真空壓力采集。西門子PLC 模塊化結構和Profibus-DP 通訊方式使得整個系統具備抗干擾性、兼容性和可擴展能力。根據控制對象控制信號類型要求,具體PLC 硬件選型如表2 所示。

表2  VMS PLC 硬件選型

NBI綜合測試臺真空監控系統設計

  NBI 綜合測試臺的離子源引出系統存在高壓,因此,裝置連接的現場設備和控制系統間必須采取電氣隔離措施。輔助抽氣系統與NBI 真空室之間、離子源抽氣回路與離子源之間設置了電位隔離器件以實現電位隔離。PLC 與裝置規管之間則選用西門子公司光纖鏈路模塊OLM-G12 實現通訊的電光轉換,以光纖作為光信號通訊介質,解決了規管真空測量數據通訊信號電氣隔離問題。離子源與主真空室間真空隔離的大插板閥,以及主真空室三段和離子源頭部安裝的真空規管,均需要采取電氣隔離措施。真空插板閥監控信號均為開關量,為解決快規和真空插板閥的電氣隔離問題,設計完成了模擬量和開關量光纖隔離電路。

  本地控制具有以下功能塊:①隔離變壓器和+24VDC線性電源;②進出PLC 的開關量均通過繼電器;③數字量光纖發送和接收模塊:實現插板閥控制信號和狀態信號的隔離;④模擬量光纖發送和接收模塊:實現快規的模擬量信號隔離,測量進氣瞬間放電室內真空變化趨勢;⑤Profibus 光纖鏈路模塊OLM :實現PLC 與其他設備通訊電氣隔離;⑥本地監控功能模塊:監控泵和閥門的開啟關閉控制回路及設備啟停狀態;⑦本地遠程切換功能:實現本地遠程控制模式切換;⑧報警模塊:當真空環境波動或系統設備故障狀態出現時,給出聲光報警;⑨系統間的連鎖保護模塊:故障狀態以光的形式送給連鎖保護系統。

  1.2 、系統軟件設計

  選用西門子Step7 編寫PLC 邏輯控制程序,主要包括:現場設備邏輯控制,模擬量采集和參數設置,Profibus-DP 通訊,現場設備狀態巡檢,故障報警,連鎖保護等子程序。其中,主抽氣回路控制邏輯流程如圖3 所示,根據真空壓力和現場設備狀態依次開啟或關閉相應的閥門和泵。真空壓力如由實驗運行正常情況突變并超過10 Pa ,則立即啟動主抽氣回路故障報警和處理程序,按序開啟關閉相應的真空閥門和泵,實時監測真空變化趨勢。

NBI綜合測試臺真空監控系統設計

圖3  主抽氣回路控制流程

  WinCC7.0 組態軟件實現可視化監控界面的設計,主要包括真空系統監控界面、真空壓力趨勢實時顯示界面和故障報警界面等。將真空壓力值進行歸檔,并可選擇以趨勢曲線或表格的方式顯示。在實現各系統運行過程狀態可視化監控功能的同時,通過NBI 綜合測試臺的控制服務器實現與總控的數據交換。它實時發送各系統狀態信號給總控,并接受總控的控制命令和設置。真空系統監控界面如圖4 所示。

NBI綜合測試臺真空監控系統設計

圖4  輔助抽氣系統過程監控界面

  1.3 、連鎖保護

  PLC 邏輯控制程序首先對系統狀態進行巡檢,如果系統正常無設備故障,根據當前真空壓力值及設備狀態邏輯控制各閥門和泵的啟停。當檢測到真空壓力超出設定范圍或系統設備有故障時,發出聲光報警。分子泵啟停控制連鎖分子泵冷卻水狀態,如果沒有分子泵冷卻水則必須停止或禁止分子泵運行。真空大插板閥狀態和真空系統故障信號發送給信號連鎖保護系統,參與NBI 綜合測試臺系統連鎖保護。生成并下載診斷故障OB 程序 ,避免某個從站故障導致CPU 進入STOP 模式影響系統正常運行。

2 、實驗結果

  實驗過程中,NBI 綜合測試臺真空監控系統實時檢測離子源和主真空室的真空變化情況,圖5 是測試實驗運行過程中主真空室二段的真空壓力隨時間的變化曲線。由圖可以看出,在約10 s 時系統開始進氣,真空由本底迅速上升,隨著進氣時間增長,壓強下降緩慢并趨于平穩。進氣結束,真空迅速下降,下降速率取決于抽氣系統抽氣能力。真空壓力會慢慢下降并回到本底真空,一次充氣抽氣過程結束,維持真空環境,等待下一次實驗開始。

  NBI 綜合測試臺進行了多次起弧放電實驗和束引出實驗,先后完成兆瓦級強流離子源100 s 長脈沖放電、3 MW 離子束成功引出和100 s 長脈沖中性束引出實驗,取得了很好的實驗結果。圖6 是強流離子源100 s 長脈沖穩定束引出和進氣控制波形。

NBI綜合測試臺真空監控系統設計

圖5 真空壓力顯示

NBI綜合測試臺真空監控系統設計

圖6  100 s 長脈沖穩定束引出實驗波形

3、總結

  真空監控系統在NBI 綜合測試臺多次起弧放電實驗和束引出實驗中穩定運行,很好的完成了輔助抽氣系統監控和真空壓力的采集顯示,提供了實驗必需的真空環境、工作氣體和控制氣體。基于此監控系統,還進行了真空抽氣性能測試及中性化室進氣測試等,為EAST-NBI 系統建設提供了系統測試實驗技術保證。