北儀優成MVP系列直聯高速旋片式真空泵
本文講述了北京北儀優成真空技術有限公司生成的MVP系列直聯高速旋片式真空泵設計原理、設計特征與優缺點、技術參數和外形尺寸圖,以便廣大用戶選擇時參考。
MVP系列直聯高速旋片式真空泵設計原理
北京北儀優成真空技術有限公司生產的MVP系列直聯高速旋片式真空泵,以創新設計、精良的制造,滿足客戶的需求,填補TRP系列在較大抽速的空白。
由上蓋、油箱、電機支座、泵芯組成,配置止逆閥和氣鎮閥保護真空泵和真空系統。效率高、易操作及維護方便。
MVP系列直聯高速旋片式真空泵設計特征
1、極限真空度高。
2、完善的內置進氣口止逆閥系統在停止時保護真空系統。
3、采用國際標準法蘭。
4、低噪音與低振動。
5、恒定壓力油循環系統。
6、方便的氣鎮閥控制
7、維修和保養簡便。
8、方便的冷卻系統,風冷(MVP-144/216)或水冷(MVP-324/432/540)。
MVP系列直聯高速旋片式真空泵技術參數
|
單位
|
MVP144
|
MVP216
|
MVP324
|
MVP432
|
MVP540
|
||
抽氣速率
|
50Hz
|
m3/h
|
120
|
180
|
270
|
360
|
450
|
|
L/min
|
2000
|
3000
|
4500
|
6000
|
7500
|
|||
60Hz
|
m3/h
|
144
|
216
|
324
|
432
|
540
|
||
L/min
|
2400
|
3600
|
5400
|
7200
|
9000
|
|||
極限壓力
|
氣鎮
|
Torr
|
5×10-3
|
|||||
關氣鎮
|
Torr
|
5×10-4
|
||||||
進氣口徑
|
mm
|
ISO 63
|
ISO 100
|
|||||
出氣口徑
|
mm
|
ISO 40
|
ISO 100
|
|||||
電機功率
|
kW
|
3.7
|
5.5
|
7.5
|
11
|
15
|
||
轉速
|
50Hz
|
R.P.M
|
1450
|
|||||
60Hz
|
R.P.M
|
1750
|
||||||
容油量
|
Liter
|
11
|
16
|
17
|
28
|
35
|
||
冷卻水
|
L/min
|
|
6
|
8
|
8
|
|||
重量
|
kg
|
172
|
290
|
358
|
584
|
668
|
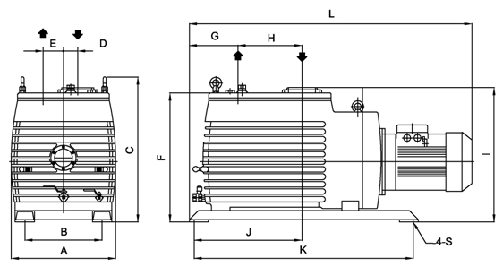
MVP系列直聯高速旋片式真空泵外型尺寸圖
■ 型號 : MVP144,MVP216,MVP324,MVP432,MVP540



信息發布公司:
北京北儀優成真空技術有限公司信息