常見的U型波紋管結構示意圖

2009-03-05 林國棟 沈陽儀表科學研究院

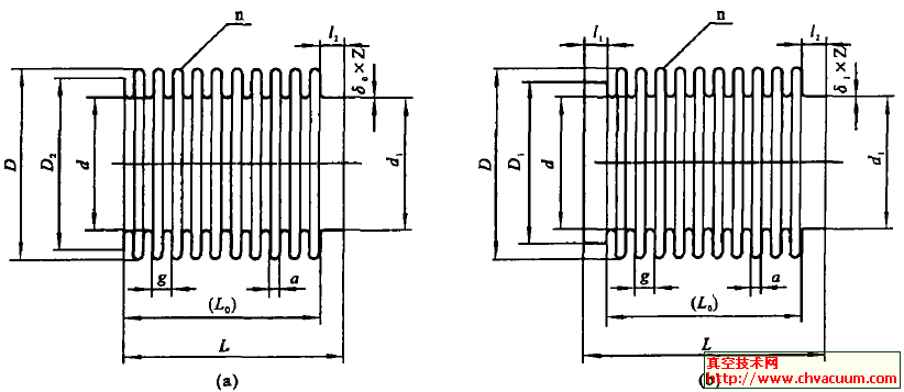
       常用U型波紋管結構見圖1,波紋管端部接口型式見圖2。接口表示方法為外配合用W(圖1(a)中d1尺寸)、沿波峰切邊用QD(圖1(a)中D2尺寸)、內配合用N(圖1(b)中D1尺寸) 。推薦采用圖2中(a)、(b)、(c)端部接口型式。

常用波紋管結構要素 

        圖中D———波紋管外徑 d ———波紋管內徑 a ———波厚 q ———波距 n ———波紋數 δ0 ———單層壁厚,波紋管管坯的單層壁厚 Z ———層數 d1 ———端部外配合直徑  D1 ———端部內配合直徑 D2 ———沿波峰切邊直徑 l 1 ———端部內配合長度 l 2 ———端部外配合長度 L ———波紋管總長 L 0 ———波紋管有效長度(a) 常用結構1  (b) 常用結構2

圖1  常用波紋管結構要素

波紋管端部接口形式 

          (a) WW型 (b) QDW型 (c) QDQD 型 (d) WN 型 (e) NQD 型 (f) NN 型

圖2  波紋管端部接口形式

波紋管組件典型結構

波紋管組件典型結構見圖3 。

波紋管組件典型結構

圖3  波紋管組件典型結構

其它相關:

  1. 金屬波紋管的常見行業術語
  2. 常見的U型波紋管結構示意圖
  3. 波紋管閥門典型結構與選型要求
  4. 閥門用金屬波紋管的檢驗