等離子體清洗同步輻射光學元件

2010-01-11 尉偉 中國科學技術大學國家同步輻射實驗室

  同步輻射光束線的光學元件的碳污染問題。它導致光學系統的光通量下降,尤其是在碳吸收邊情況更加嚴重。因此在光束線運行一定的時間后,必須對光學元件的碳污染進行清洗以便保證其正常使用。為此我們開發了一套射頻等離子體原位光學元件清洗系統,以干燥的氧氣和氬氣為介質。在產生的等離子中存在大量的臭氧,與光學元件表面的碳反應,變成CO和CO2氣體,從而達到清洗的目的。實驗證明等離子體清洗不但可有效清除碳污染,而且有利于光束線真空系統的超高真空環境的恢復,為光束線的維護提供了方便。

  在同步輻射光束線中,長時間工作在光束線中的光學元件,如反射鏡、光柵等表面會產生碳污染,使光束線的傳輸效率下降。由X 射線吸收精細結構測定所形成的為石墨型碳,碳對于其吸收邊,即285eV 以及以上能量光吸收作用,可使得光通量減少一個甚至2個數量級,同時由于此碳層對于雜散光無影響,使得信噪比劇烈下降,從而嚴重影響了在此能量范圍內的實驗。

  碳污染主要產生在暴露于同步輻射X 射線中的光學元件表面。碳污染的產生主要是由于表面吸附的含碳的分子被X 射線或者是X 射線產生的自由電子的裂解作用。裂解發生后,碳原子以強結合力吸附在光學元件表面。周圍氣氛中的含碳原子氣體再次吸附于光學元件表面,此裂解再次產生。由于碳污染的聚集速率與光子通量成正比關系,因此在一些高光通量的插入元件,例如第三代光源的undulator 光束線中,此污染影響非常明顯。碳污染嚴重的情況下,在鏡子表面會產生肉眼明顯可見的棕色或黑色條紋。

  由于光學元件上的碳污染是影響同步輻射光束線工作的重要原因,因此對于光學元件的碳污染的有效清洗是光束線穩定運行的保證。直流等離子體放電清洗、射頻等離子體放電清洗以及紫外光/臭氧照射清洗都可用來清洗光學元件。直流等離子體放電清洗法是在真空腔體中加入放電電極,電極和光學元件支撐架及箱壁之間發生放電,產生氧等離子體,氧等離子體與沉積碳反應產生CO 或者CO2 而被真空系統抽出。這種清洗中產生等離子體電極的設計和安裝需滿足特定要求,以避免光學元件表面濺射或電極材料濺射沉積到元件表面。紫外光/臭氧照射清洗則是利用汞燈光離解空氣中的氧產生臭氧,臭氧與碳污染物化學反應生成揮發性產物而實現清洗。這種方法在汞燈周圍存在很強的臭氧濃度梯度,所以清洗速率強烈依賴于汞燈到光學元件表面的距離。與直流等離子體放電清洗類似,射頻等離子體清洗是依靠電極與真空室壁之間射頻放電激發的氧等離子體完成清洗。此方法結構簡單,易于控制,且射頻等離子體所產生的低能量離子對光學元件產生的損害和污染較少,是一種可行的碳污染清洗方法 。

  實驗中采用了以氬氣和氧氣作為工作氣體的射頻等離子體放電清洗光束線上的光學元件。在等離子體氣氛中的氬起到了催化劑的作用,其存在可以顯著增強元件表面碳的清除速率。

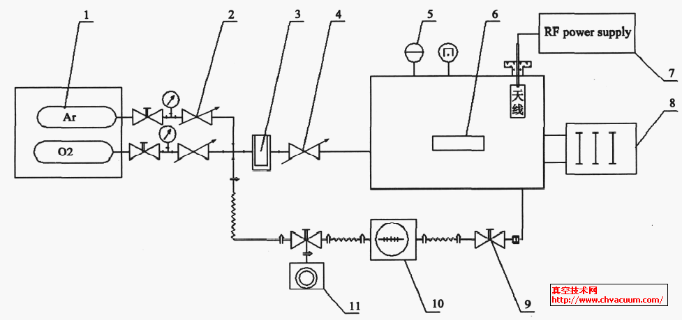
1、清洗裝置

  實驗采用的清洗設備如圖1 所示,其主要組成為射頻電氣系統和氣路/真空系統。

  射頻電氣系統主要包括: (1)射頻電源,包括射頻信號發生器和功率源以及匹配調節器; (2)安裝于法蘭上的,伸入所要清洗的光學元件所在真空室內部的鋁制圓柱形天線; (3)通過法蘭上的電極引線,天線與供電電路連接,將射頻功率引入腔體中。氣路/ 真空系統主要包括: (1)氬氣以及氧氣氣瓶,及對應的流量閥門; (2)液氮冷阱,可有效去除氣氛中的水; (3)渦輪分子泵機組,用來抽出腔體中的氣體,保持放電腔體中氣體壓力的恒定。

  等離子體放電時的放電參數受到具體結構和氣體壓強的影響,通過調節功率和射頻匹配,可以完成等離子體點火和放電參數的控制。

O2/ Ar 等離子體清洗系統

圖1  O2/ Ar 等離子體清洗系統


1.氧氣及氬氣氣瓶; 2.流量計; 3.液氮冷阱; 4.泄漏閥; 5.真空規管; 6.被清洗元件; 7.射頻電源; 8.濺射離子泵; 9.抽氣閥; 10.渦輪分子泵; 11.機械泵